Щитовое оборудование
Устройства автоматического переключения питания на резерв АВР
Устройства автоматического переключения питания на резерв типа АВР предназначены для восстановления питания потребителей путем автоматического включения резервного источника питания при отключении рабочего источника питания, приводящего к обесточиванию электроустановок потребителя напряжением до 660 В переменного тока частотой 50 или 60 Гц, а также предусматривается для автоматического включения резервного оборудования при отключении рабочего оборудования, приводящем к нарушению нормального технологического процесса. Устройства АВР изготавливаются одностороннего обслуживания и предназначены для установки на объектах 1 категории энергоснабжения. Устройства АВР обеспечиваются электроэнергией от двух независимых, взаимно резервируемых источников питания. Перерыв в питании нагрузки потребителя, при нарушении электроснабжения от одного из источников, допускается только на время автоматического переключения на резервное питание, с дальнейшим полным автоматическим восстановлением схемы режима питания. Устройства АВР - 300 - ХХХ предназначены для установки на объектах особой группы электроприемников 1 категории, бесперебойная работа которых необходима для безаварийного энергоснабжения производственных, коммунально-бытовых, банковских и других объектов энергопотребления. АВР - 300 обеспечиваются дополнительным питанием от третьего независимого взаимно резервирующего источника питания. В качестве третьего независимого источника питания для особой группы 1 категории электроприемников могут быть использованы специальные агрегаты бесперебойного питания, дизельные электростанции, аккумуляторные батареи и т. п. Шкафы устанавливаются на промышленных, жилых, бытовых и общественных объектах с односторонним обслуживанием. Номинальный режим работы - продолжительный. Номинальное напряжение 380/220В;
• Частота 50 Гц;
• Номинальный ток до 630 А;
• Климатическое исполнение по ГОСТ 15150-69, ГОСТ 15543.1-89 - УЗ, У3.1, УХЛ4;
• Степень защиты при закрытой двери по ГОСТ 14254-96 - IP21;
• IP54. Номинальный ток устройств снижается на 15% при степени защиты оболочки устройств IP54;
• Окружающая среда невзрывоопасная, не содержащая токопроводящей пыли, агрессивных газов и паров в концентрациях, разрушающих металл и изоляцию. Группа условий эксплуатации в части воздействий механических факторов внешней среды М1 по ГОСТ 17516.1 - 90;
• Высота над уровнем моря до 2000 м;
• Рабочее положение - вертикальное;
• Допускается отклонение от рабочего положения не более 5°;
• Требования безопасности соответствуют ГОСТ 12.2.007.0-75 и ГОСТ 22789-94, а также требованиям "ПУЭ", "Правил технической эксплуатации электроустановок потребителя", утверждённых Минэнерго;
• Требования пожарной безопасности соответствуют ГОСТ 12.1.004-91; Особые условия эксплуатации - по согласованию с заказчиком.
Структура условного обозначения шкафов АВР
АВР ХХХ-Х-Х-Х
1 234 5 6 7
1. Устройство автоматического переключения питания на резерв;
2. Тип устройства коммутации и блока автоматики:
"1" - Два 3-х фазных входа, переключение при пропадании одной из фаз;
"2" - Два 3-х фазных входа, переключение при пропадании одной из фаз, снижении напряжения одной из фаз, неверном чередовании фаз;
"3" - Три 3-х фазных входа, переключение при пропадании одной из фаз, снижении напряжения одной из фаз, неверном чередовании фаз;
"4" - То же, что и 2, но на токи от 250 до 400А;
"5" - Два 3-х фазных входа с секционированием, переключение при пропадании одной из фаз, снижении напряжения одной из фаз, неверном чередовании фаз;
"6" - Два 3-х фазных входа с "восьмёркой", переключение при пропадании одной из фаз, снижении напряжения одной из фаз, неверном чередовании фаз;
3. Количество отходящих 3-х фазных автоматических выключателей (0 ...6);
4. Количество отходящих 1-х фазных автоматических выключателей (0 ...18);
5. Номинальный ток устройства: 10 - 10А, 25 - 25А, 40 - 40А, 63 - 63А, 100 - 100А, 160 – 160А, 250 - 250А, 400 - 400А, 630 – 630А;
6. Степень защиты оболочки по ГОСТ 14254-96: 21 - IP21, 54 - IP54;
7. Климатическое исполнение и категория размещения по ГОСТ 15150-69 и ГОСТ 15543.1-89 - УЗ, У3.1, УХЛ4.
Функциональные особенности, электрические схемы
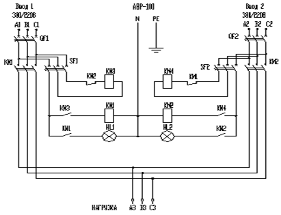
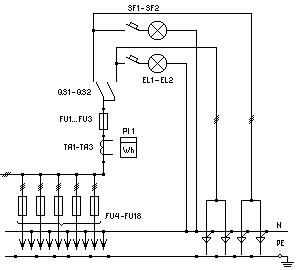
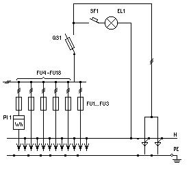
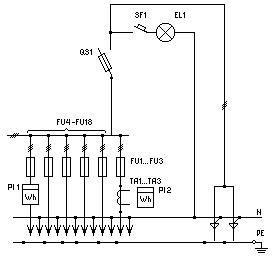
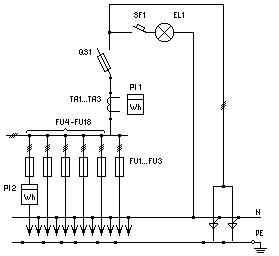
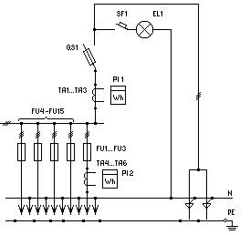
В устройстве АВР-100 оперативное автоматическое переключение осуществляется при отсутствии одной, двух или трех фаз, аварийных режимах, короткого замыкания основного либо же резервного ввода питающей сети. Устройство состоит из комплекса вводных, силовых коммутационных, распределительных, контролирующих и сигнализирующих аппаратов, расположенных в корпусе с односторонним обслуживанием.


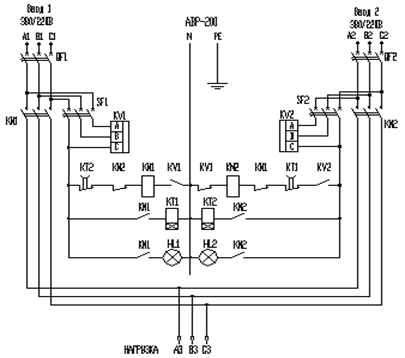
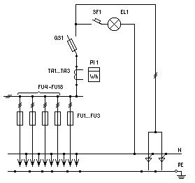
В устройстве АВР-200 оперативное автоматическое переключение осуществляется с регулируемой выдержкой времени (0,6-30сек.) при изменении чередования фаз, асимметрии фазных напряжений, отсутствии одной и более фаз, симметричном падении напряжения, аварийных режимах короткого замыкания основного и резервного ввода питающей энергосистемы.

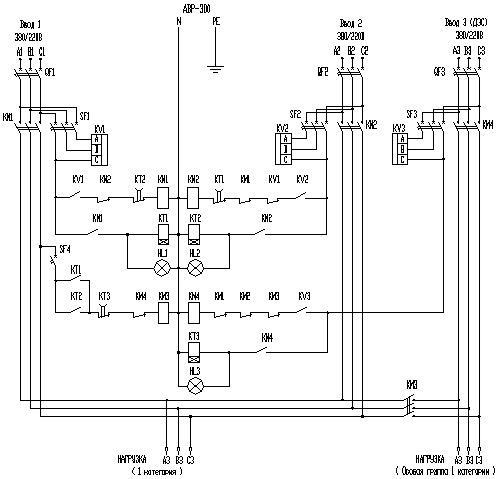
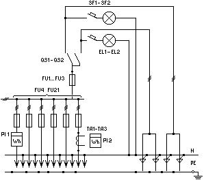
Устройства АВР-300 предназначены для установки на объектах особой группы электроприемников 1 категории, бесперебойная работа которых необходима для безаварийного энергоснабжения производственных, коммунально-бытовых, банковских и других объектов энергопотребления. Устройства обеспечиваются дополнительным питанием от третьего независимого взаимно резервирующего источника питания. В качестве третьего независимого источника питания для особой группы 1 категории электроприемников могут быть использованы специальные агрегаты бесперебойного питания, дизельные электростанции, аккумуляторные батареи и т. п. В устройстве АВР-300 оперативное автоматическое переключение осуществляется с регулируемой выдержкой времени (0,6-30сек.) по рабочему и резервному вводу при изменении чередования фаз, асимметрии фазных напряжений, отсутствии одной и более фаз, симметричном падении напряжения, аварийных режимах короткого замыкания.

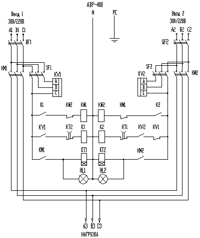
Устройство АВР-400 выполняет те же функции и контролирует те же параметры питающих сетей, что и АВР-200. Отличительной особенностью является более высокий рабочий ток: Iн = 250А, 400А, 630А.

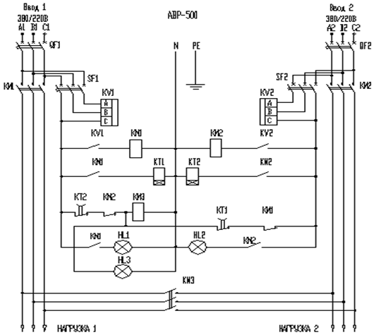
В устройстве АВР-500 коммутация нагрузок осуществляется с регулируемой выдержкой времени (0,6-30сек.) при изменении чередования фаз, отсутствии одной и более фаз, симметричном и асимметричном снижении напряжения питающих вводов, а также при аварийных режимах, К.З. Отличительной особенностью АВР-500 является наличие секционного аппарата между равнозначными энергонезависимыми вводами с помощью которого осуществляется коммутация нагрузок в параллельную работу вследствие аварии одного из вводов

Oдно-распределительные устройства ВРУ
Oдно-распределительные устройства ВРУ 1 предназначены для приема, распределения и учета электроэнергии в сетях 380/220В трехфазного переменного токачастоты 50Гц, а также для защиты линий при перегрузках и коротких замыканиях. Вводно-распределительные устройства (ВРУ1) комплектуются из панелей одностороннего обслуживания и могут быть однопанельными и многопанельными. Ошиновка ВРУ выдерживает без повреждений ударный ток короткого замыкания 10 кА.
Структура условного обозначения
| ВРУ | - 1 - | ** - | * | * | - УХЛ4 |
|---|---|---|---|---|---|
| климатическое исполнение и категория размещения по ГОСТ 15150-69 | |||||
| наличие дополнительного оборудования | |||||
| наличие аппаратов на вводе | |||||
| назначение панели | |||||
| номер разработки | |||||
| вводно-распределительное устройство | |||||
Возможные обозначения вводно-распределительных устройств серии ВРУ-1 (ВРУ1)
Назначение панели:
11-18 — вводные;
21-29 — вводно-распределительные;
41-50 — распределительные;
Назначение панели:
0 — отсутствуют;
1 — переключатель на 250А;
2 — переключатель на 400А;
5 — выключатель на 250А;
6 — выключатель и предохранители на 250А;
7 — выключатель, предохранители и аппаратура АВР на 100А;
8 — выключатель, предохранители и аппаратура АВР на 250А;
Наличие дополнительного оборудования:
0 — отсутствуют;
1 — блок автоматического управл. освещ.
(БАУО) с автоматическими выключателями: 30х16А;2 — блок автоматического управл. освещ.
(БАУО) с автоматическими выключателями: 30х16А;3 — блок автоматического управл. освещ.
(БАУО) с автоматическими выключателями: 14х16А;4 — БУО с автоматическими выключателями: 14х16А;
5 — БАУО с предохранителями: 8х16А;
6 — БУО с предохранителями: 8х16А;
Вводные панели
| ВРУ - 1 - 11 - 10УХЛ4 | |||||||||||||||||
|---|---|---|---|---|---|---|---|---|---|---|---|---|---|---|---|---|---|
![]() |
Номинальный ток: 2x250 А
|
||||||||||||||||
| ВРУ - 1 - 12 - 10УХЛ4 | |||||||||||||||||||
|---|---|---|---|---|---|---|---|---|---|---|---|---|---|---|---|---|---|---|---|
![]() |
Номинальный ток: 2x250 А
|
||||||||||||||||||
| ВРУ - 1 - 13 - 20УХЛ4 | |||||||||||||||||
|---|---|---|---|---|---|---|---|---|---|---|---|---|---|---|---|---|---|
![]() |
Номинальный ток: 2x400 А
|
||||||||||||||||
| ВРУ - 1 - 14 - 20УХЛ4 | |||||||||||||||||||
|---|---|---|---|---|---|---|---|---|---|---|---|---|---|---|---|---|---|---|---|
![]() |
Номинальный ток: 2x400 А
|
||||||||||||||||||
| ВРУ - 1 - 17 - 70УХЛ4 (панель с АВР) | |||||||||||||||||
|---|---|---|---|---|---|---|---|---|---|---|---|---|---|---|---|---|---|
![]() |
Номинальный ток: 100 А
|
||||||||||||||||
| ВРУ - 1 - 18 - 80УХЛ4 (панель с АВР) | |||||||||||||||||
|---|---|---|---|---|---|---|---|---|---|---|---|---|---|---|---|---|---|
![]() |
Номинальный ток: 160 А
|
||||||||||||||||
Распределительные панели
| ВРУ-1-41-00УХЛ4 • ВРУ-1-42-01УХЛ4 • ВРУ-1-42-02УХЛ4 | ||||||
|---|---|---|---|---|---|---|
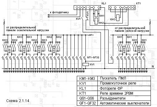
![]() ВРУ-1-42-01УХЛ4 - автоматический блок упр. освещением (схема 2.1.14) ВРУ-1-42-02УХЛ4 - неавтоматический блок упр. освещением (схема 2.1.15)
| ||||||
| ВРУ-1-43-00УХЛ4 | ||||||||||
|---|---|---|---|---|---|---|---|---|---|---|
![]()
| ||||||||||
| ВРУ-1-44-00УХЛ4 • ВРУ-1-45-01УХЛ4 • ВРУ-1-45-02УХЛ4 | ||||||
|---|---|---|---|---|---|---|
![]() ВРУ-1-45-01УХЛ4 - автоматический блок упр. освещением (схема 2.1.14) ВРУ-1-45-02УХЛ4 - неавтоматический блок упр. освещением (схема 2.1.15)
| ||||||
| ВРУ-1-46-00УХЛ4 | ||||||||||
|---|---|---|---|---|---|---|---|---|---|---|
![]() ВРУ-1-45-01УХЛ4 - автоматический блок упр. освещением (схема 2.1.14) ВРУ-1-45-02УХЛ4 - неавтоматический блок упр. освещением (схема 2.1.15)
| ||||||||||
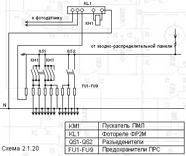
| ВРУ-1-47-00УХЛ4 • ВРУ-1-48-03УХЛ4 • ВРУ-1-48-04УХЛ4 | |
|---|---|
![]() |
| обозначение | Наименование |
|---|---|
| FU1-FU15 | Предохранители ПН2-100 |
| FU16-FU30 | Предохранители ПН2-100 |
| ВРУ-1-49-00УХЛ4 • ВРУ-1-49-03УХЛ4 • ВРУ-1-49-04УХЛ4 | ||||||
|---|---|---|---|---|---|---|
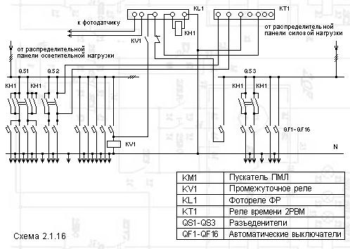
![]() ВРУ-1-49-03УХЛ4 - автоматический блок упр. освещением (схема 2.1.16) ВРУ-1-49-04УХЛ4 - неавтоматический блок упр. освещением (схема 2.1.17)
| ||||||
| ВРУ-1-50-00УХЛ4 • ВРУ-1-50-01УХЛ4 • ВРУ-1-50-02УХЛ4 | ||||||
|---|---|---|---|---|---|---|
![]() ВРУ-1-50-01УХЛ4 - автоматический блок упр. освещением (схема 2.1.14) ВРУ-1-50-02УХЛ4 - неавтоматический блок упр. освещением (схема 2.1.15)
| ||||||




Вводно - распределительные панели
| ВРУ-1 -21-10УХЛ4 | ||||||||||||||||||
|---|---|---|---|---|---|---|---|---|---|---|---|---|---|---|---|---|---|---|
![]()
| ||||||||||||||||||
| ВРУ-1 -22-53УХЛ4 • ВРУ-1 -22-54УХЛ4 • ВРУ-1 -22-55УХЛ4 • ВРУ-1 -22-56УХЛ4 | ||||||||||||||
|---|---|---|---|---|---|---|---|---|---|---|---|---|---|---|
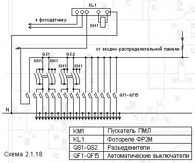
![]() ВРУ-1 -22-53УХЛ4 - автоматический блок упр. освещением с авт. выкл. (схема 2.1.18) ВРУ-1 -22-54УХЛ4 - неавтоматический блок упр. освещением с авт. выкл. (схема 2.1.19) ВРУ-1 -22-55УХЛ4 - автоматический блок упр. освещением с предохр. (схема 2.1.20) ВРУ-1 -22-56УХЛ4 - неавтоматический блок упр. освещением с предохр. (схема 2.1.21)
| ||||||||||||||
| ВРУ-1-23-53УХЛ4 • ВРУ-1-23-54УХЛ4 • ВРУ-1-23-55УХЛ4 • ВРУ-1-23-56УХЛ4 | ||||||||||||||||
|---|---|---|---|---|---|---|---|---|---|---|---|---|---|---|---|---|
![]() ВРУ-1-23-53УХЛ4 - автоматический блок упр. освещением с авт. выкл. (схема 2.1.18) ВРУ-1-23-54УХЛ4 - неавтоматический блок упр. освещением с авт. выкл. (схема 2.1.19) ВРУ-1-23-55УХЛ4 - автоматический блок упр. освещением с предохр. (схема 2.1.20) ВРУ-1-23-56УХЛ4 - неавтоматический блок упр. освещением с предохр. (схема 2.1.21)
| ||||||||||||||||
| ВРУ-1-24-53УХЛ4 • ВРУ-1-24-54УХЛ4 • ВРУ-1-24-55УХЛ4 • ВРУ-1-24-56УХЛ4 | ||||||||||||||||||
|---|---|---|---|---|---|---|---|---|---|---|---|---|---|---|---|---|---|---|
![]() ВРУ-1-24-53УХЛ4 - автоматический блок упр. освещением с авт. выкл. (схема 2.1.18) ВРУ-1-24-54УХЛ4 - неавтоматический блок упр. освещением с авт. выкл. (схема 2.1.19) ВРУ-1-24-55УХЛ4 - автоматический блок упр. освещением с предохр. (схема 2.1.20) ВРУ-1-24-56УХЛ4 - неавтоматический блок упр. освещением с предохр. (схема 2.1.21)
| ||||||||||||||||||
| ВРУ-1-25-63УХЛ4 • ВРУ-1-25-64УХЛ4 • ВРУ-1-25-65УХЛ4 • ВРУ-1-25-66УХЛ4 | ||||||||||||||
|---|---|---|---|---|---|---|---|---|---|---|---|---|---|---|
![]() ВРУ-1-25-63УХЛ4 - автоматический блок упр. освещением с авт. выкл. (схема 2.1.18) ВРУ-1-25-64УХЛ4 - неавтоматический блок упр. освещением с авт. выкл. (схема 2.1.19) ВРУ-1-25-65УХЛ4 - автоматический блок упр. освещением с предохр. (схема 2.1.20) ВРУ-1-25-66УХЛ4 - неавтоматический блок упр. освещением с предохр. (схема 2.1.21)
| ||||||||||||||
| ВРУ-1-26-63УХЛ4 • ВРУ-1-26-64УХЛ4 • ВРУ-1-26-65УХЛ4 • ВРУ-1-26-66УХЛ4 | ||||||||||||||||
|---|---|---|---|---|---|---|---|---|---|---|---|---|---|---|---|---|
![]() ВРУ-1-26-63УХЛ4 - автоматический блок упр. освещением с авт. выкл. (схема 2.1.18) ВРУ-1-26-64УХЛ4 - неавтоматический блок упр. освещением с авт. выкл. (схема 2.1.19) ВРУ-1-26-65УХЛ4 - автоматический блок упр. освещением с предохр. (схема 2.1.20) ВРУ-1-26-66УХЛ4 - неавтоматический блок упр. освещением с предохр. (схема 2.1.21)
| ||||||||||||||||
| ВРУ-1-27-63УХЛ4 • ВРУ-1-27-64УХЛ4 • ВРУ-1-27-65УХЛ4 • ВРУ-1-27-66УХЛ4 | ||||||||||||||
|---|---|---|---|---|---|---|---|---|---|---|---|---|---|---|
![]() ВРУ-1-27-63УХЛ4 - автоматический блок упр. освещением с авт. выкл. (схема 2.1.18) ВРУ-1-27-64УХЛ4 - неавтоматический блок упр. освещением с авт. выкл. (схема 2.1.19) ВРУ-1-27-65УХЛ4 - автоматический блок упр. освещением с предохр. (схема 2.1.20) ВРУ-1-27-66УХЛ4 - неавтоматический блок упр. освещением с предохр. (схема 2.1.21)
| ||||||||||||||
| ВРУ-1-28-63УХЛ4 • ВРУ-1-28-64УХЛ4 • ВРУ-1-28-65УХЛ4 • ВРУ-1-28-66УХЛ4 | ||||||||||||||||||
|---|---|---|---|---|---|---|---|---|---|---|---|---|---|---|---|---|---|---|
![]() ВРУ-1-28-63УХЛ4 - автоматический блок упр. освещением с авт. выкл. (схема 2.1.18) ВРУ-1-28-64УХЛ4 - неавтоматический блок упр. освещением с авт. выкл. (схема 2.1.19) ВРУ-1-28-65УХЛ4 - автоматический блок упр. освещением с предохр. (схема 2.1.20) ВРУ-1-28-66УХЛ4 - неавтоматический блок упр. освещением с предохр. (схема 2.1.21)
| ||||||||||||||||||
| ВРУ-1-29-63УХЛ4 • ВРУ-1-29-64УХЛ4 • ВРУ-1-29-65УХЛ4 • ВРУ-1-29-66УХЛ4 | ||||||||||||||||||||
|---|---|---|---|---|---|---|---|---|---|---|---|---|---|---|---|---|---|---|---|---|
![]() ВРУ-1-29-63УХЛ4 - автоматический блок упр. освещением с авт. выкл. (схема 2.1.18) ВРУ-1-29-64УХЛ4 - неавтоматический блок упр. освещением с авт. выкл. (схема 2.1.19) ВРУ-1-29-65УХЛ4 - автоматический блок упр. освещением с предохр. (схема 2.1.20) ВРУ-1-29-66УХЛ4 - неавтоматический блок упр. освещением с предохр. (схема 2.1.21)
| ||||||||||||||||||||
Схемы блоков управления освещением


Шкафы распределительные серии ПР-11
Шкафы распределительные серии ПР-11 предназначены для распределения электроэнергии, защиты электрических установок напряжением до 660 В переменного тока частотой 50 и 60 Гц при перегрузках и коротких замыканиях а также для нечастых (до трех включений в час) оперативных коммутаций электрических цепей и прямых пусков асинхронных двигателей.
| ПР | 11 | * | *** | ** | ** |
|---|---|---|---|---|---|
| климатическое исполнение и категория размещения по ГОСТ 15150-69 | |||||
| степень защиты по ГОСТ 14255-96: 21 - IP21 54 - IP54 |
|||||
| номер схемы | |||||
| вид установки: 1 - утопленное 3 - навесное 7 - напольное |
|||||
| номер серии | |||||
| пункт распределительный | |||||
| Тип | наличие вводного выключателя | номинальныйиток шкафа (А) | количество автоматических выключателей | Габариты (мм) HхLхB | |
|---|---|---|---|---|---|
| однополюс | трехполюс. | ||||
| ПР 11-1085-21 У3 ПР 11-3085-21 У1 ПР 11-3085-54 У1 |
250 | 6 | 8 | 800х750х200 | |
| ПР 11-1086-21 У3 ПР 11-3086-21 У3 ПР 11-3086-54 У1 |
250 | 6 | 8 | 1200х750х200 | |
| ПР 11-1087-21 У3 ПР 11-3087-21 У3 ПР 11-3087-54 У1 |
400 | 18 | - | 600х750х200 | |
| ПР 11-1088-21 У3 ПР 11-3088-21 У3 ПР 11-3088-54 У1 |
400 | 18 | - | 1000х750х200 | |
| ПР 11-1089-21 У3 ПР 11-3089-21 У3 ПР 11-3089-54 У1 |
400 | - | 6 | 600х750х200 | |
| ПР 11-1090-21 У3 ПР 11-3090-21 У3 ПР 11-3090-54 У1 |
400 | - | 6 | 1000х750х200 | |
| ПР 11-1091-21 У3 ПР 11-3091-21 У3 ПР 11-3091-54 У1 |
400 | 12 | 2 | 600х750х200 | |
| ПР 11-1092-21 У3 ПР 11-3092-21 У3 ПР 11-3092-54 У1 |
400 | 12 | 2 | 1000х750х200 | |
| ПР 11-1093-21 У3 ПР 11-3093-21 У3 ПР 11-3093-54 У1 |
400 | 6 | 4 | 600х750х200 | |
| ПР 11-1094-21 У3 ПР 11-3094-21 У3 ПР 11-3094-54 У1 |
400 | 6 | 4 | 1000х750х200 | |
| ПР 11-1095-21 У3 ПР 11-3095-21 У3 ПР 11-3095-54 У1 |
400 | 24 | - | 800х750х200 | |
| ПР 11-1096-21 У3 ПР 11-3096-21 У3 ПР 11-3096-54 У1 |
400 | 24 | - | 1200х750х200 | |
| ПР 11-1097-21 У3 ПР 11-3097-21 У3 ПР 11-3097-54 У1 |
400 | - | 8 | 800х750х200 | |
| ПР 11-1098-21 У3 ПР 11-3098-21 У3 ПР 11-3098-54 У1 |
400 | - | 8 | 1200х750х200 | |
| ПР 11-1099-21 У3 ПР 11-3099-21 У3 ПР 11-3099-54 У1 |
400 | 18 | 2 | 800х750х200 | |
| ПР 11-1100-21 У3 ПР 11-3100-21 У3 ПР 11-3100-54 У1 |
400 | 18 | 2 | 1200х750х200 | |
| ПР 11-1101-21 У3 ПР 11-3101-21 У3 ПР 11-3101-54 У1 |
400 | 12 | 4 | 800х750х200 | |
| ПР 11-1102-21 У3 ПР 11-3102-21 У3 ПР 11-3102-54 У1 |
400 | 12 | 4 | 1200х750х200 | |
| ПР 11-1103-21 У3 ПР 11-3103-21 У3 ПР 11-3103-54 У1 |
400 | 6 | 6 | 800х750х200 | |
| ПР 11-1104-21 У3 ПР 11-3104-21 У3 ПР 11-3104-54 У3 |
400 | 6 | 6 | 1200х750х200 | |
| ПР 11-1105-21 У3 ПР 11-3105-21 У3 ПР 11-3105-54 У1 |
400 | 30 | - | 800х750х200 | |
| ПР 11-1106-21 У3 ПР 11-3106-21 У3 ПР 11-3106-54 У1 |
400 | 30 | - | 1200х750х200 | |
| ПР 11-1107-21 У3 ПР 11-3107-21 У3 ПР 11-3107-54 У1 ПР 11-7107-21 У3 ПР 11-7107-54 У1 |
400 | - | 10 | 800х750х200 | |
| ПР 11-1108-21 У3 ПР 11-3108-21 У3 ПР 11-3108-54 У1 ПР 11-7108-21 У3 ПР 11-7108-54 У1 |
400 | - | 10 | 1200х750х200 | |
| ПР 11-1109-21 У3 ПР 11-3109-21 У3 ПР 11-3109-54 У1 |
400 | 24 | 2 | 800х750х200 | |
| ПР 11-1110-21 У3 ПР 11-3110-21 У3 ПР 11-3110-54 У1 |
400 | 24 | 2 | 1200х750х200 | |
| ПР 11-1111-21 У3 ПР 11-3111-21 У3 ПР 11-3111-54 У1 |
400 | 18 | 4 | 800х750х200 | |
| ПР 11-1112-21 У3 ПР 11-3112-21 У3 ПР 11-3112-54 У3 |
400 | 18 | 4 | 1200х750х200 | |
| ПР 11-1113-21 У3 ПР 11-3113-21 У3 ПР 11-3113-54 У1 |
400 | 12 | 6 | 800х750х200 | |
| ПР 11-1114-21 У3 ПР 11-3114-21 У3 ПР 11-3114-54 У1 |
400 | 12 | 6 | 1200х750х200 | |
| ПР 11-1115-21 У3 ПР 11-3115-21 У3 ПР 11-3115-54 У1 |
400 | 6 | 8 | 800х750х200 | |
| ПР 11-1116-21 У3 ПР 11-3116-21 У3 ПР 11-3116-54 У1 |
400 | 6 | 8 | 1200х750х200 | |
| ПР 11-1117-21 У3 ПР 11-3117-54 У1 |
250 | - | 4 | 600х750х200 | |
| ПР 11-1118-21 У3 ПР 11-3118-54 У1 |
250 | - | 4 | 1000х750х200 | |
| ПР 11-3119-21 У3 ПР 11-7119-21 У3 ПР 11-3119-54 У1 ПР 11-7119-54 У1 |
400 | - | 6 | 800х750х200 | |
| ПР 11-3120-21 У3 ПР 11-7120-21 У3 ПР 11-3120-54 У3 ПР 11-7120-54 У3 |
400 | - | 6 | 1200х750х200 | |
| ПР 11-3121-21 У3 ПР 11-7121-21 У3 ПР 11-3121-54 У1 ПР 11-7121-54 У1 |
630 | - | 8 | 1000х750х200 | |
| ПР 11-3122-21 У3 ПР 11-7122-21 У3 ПР 11-3122-54 У1 ПР 11-7122-54 У1 |
630 | - | 8 | 1200х750х200 | |
| ПР 11-7123-21 У3 ПР 11-7123-54 У1 |
630 | - | 12 | 1200х750х200 | |
| ПР 11-7124-21 У3 ПР 11-7124-54 У3 |
630 | - | 12 | 1500х750х200 | |
Пункт силовой СПМ-99, СПМ-75
Шкафы силовые распределительные типа СПМ-99(75) предназначены для приёма и распределения электроэнергии трёхфазного переменного тока напряжением до 660 В частоты 50 Гц систем с глухозаземленной нейтралью, а также для защиты отходящих линий от перегрузок и токов короткого замыкания в промышленных установках. Шкафы предназначены для установки на промышленных, жилых, коммунально-бытовых и общественных объектах с односторонним обслуживанием. Шкафы изготавливаются в навесном и напольном исполнении. Номинальный режим работы - продолжительный. Номинальный ток до 400А.
• Номинальное напряжение переменного тока: 380/220В.
• Частота: 50 Гц.
• Степень защиты шкафа по ГОСТ 14254-96: IP 31 или IP 54.
• Условия эксплуатации по ГОСТ15150-69: высота над уровнем моря до 2000 м, при высоте более 1000м номинальный ток шкафа должен быть снижен на 10%. Окружающая среда невзрывоопасная, не содержащая токопроводящей пыли, агрессивных газов и паров в концентрациях, разрушающих металл и изоляцию. Рабочее положение в пространстве вертикальное, допустимое отклонение от вертикали до 5° в любую сторону.
• Требования безопасности соответствуют ГОСТ12.2.007.0-75, ГОСТ22789-94, и требованиям "ПУЭ".
• Требования пожарной безопасности соответствуют ГОСТ12.1.004-85.
СПМ99(75) - ХХ - Х - ХХ ХХ
1. Условное обозначение шкафа;
2. Номер схемы;
3. Вид исполнения: Н - навесное, по умолчанию - напольное;
4. Степень защиты оболочки по ГОСТ 14254-96: 31 - IP31, 54 - IP54;
5. Климатическое исполнение и категория размещения по ГОСТ 15150-69 и ГОСТ 15543.1- 89: У3, УЗ.1.
Технические данные шкафов СПМ
Силовые распределительные пункты СПМ-75 напольного исполнения
| Тип СПМ | Тип рубильника | I ном | Кол-во отход. линий | Габариты | ||||
|---|---|---|---|---|---|---|---|---|
| 63А | 100А | 250А | H | L | B | |||
| СПМ 75-1 | РБ-2 | 250 | 5 | 1600 | 700 | 300 | ||
| СПМ 75-2 | РБ-2 | 250 | 5 | 1600 | 700 | 300 | ||
| СПМ 75-3 | РБ-2 | 250 | 2 | 3 | 1600 | 700 | 300 | |
| СПМ 75-4 | РБ-4 | 400 | 8 | 1600 | 700 | 300 | ||
| СПМ 75-5 | РБ-4 | 400 | 8 | 1600 | 700 | 300 | ||
| СПМ 75-6 | РБ-4 | 400 | 4 | 4 | 1600 | 700 | 300 | |
| СПМ 75-7 | РБ-4 | 400 | 5 | 3 | 1600 | 700 | 300 | |
| СПМ 75-8 | РБ-4 | 400 | 5 | 2 | 1600 | 700 | 300 | |
| СПМ 75-9 | РБ-4 | 400 | 2 | 4 | 2 | 1600 | 700 | 300 |
Силовые распределительные пункты СПМ-99 напольного исполнения
| Тип СПМ | № схемы | Тип рубильника | I ном | Кол-во отход. линий | Габариты | |||
|---|---|---|---|---|---|---|---|---|
| ППН-33 | ППН-35 | H | L | B | ||||
| СПМ99-1-21УЗ | 1 | ВР 3235 | 250 | 5 | 1200 | 750 | 240 | |
| СПМ99-1-54У3.1 | ||||||||
| СПМ99-5-21УЗ | 5 | ВР 3237 | 400 | 8 | 1400 | 750 | 240 | |
| СПМ99-5-54УЗ | ||||||||
| СПМ99-6-21УЗ | 6 | ВР 3237 | 400 | 4 | 4 | 1400 | 750 | 240 |
| СПМ99-6-54УЗ | ||||||||
| СПМ99-7-21УЗ | 7 | ВР 3237 | 400 | 5 | 1400 | 750 | 240 | |
| СПМ99-7-54УЗ | ||||||||
| СПМ99-8-21УЗ | 8 | ВР 3237 | 400 | 6 | 1400 | 750 | 240 | |
| СПМ99-8-54УЗ | ||||||||
| СПМ99-9-21УЗ | 9 | ВР 3237 | 400 | 2 | 7 | 1400 | 750 | 240 |
| СПМ99-9-54У3.1 | ||||||||
Силовые распределительные пункты СПМ-99 навесного исполнения
| Тип СПМ | № схемы | Тип рубильника | I ном | Кол-во отход. линий | Габариты | |||
|---|---|---|---|---|---|---|---|---|
| ППН-33 | ППН-35 | H | L | B | ||||
| СПМ99-1-21УЗ | 1 | ВР 3235 | 250 | 5 | 1000 | 750 | 240 | |
| СПМ99-1-54У3.1 | ||||||||
| СПМ99-5-21УЗ | 5 | ВР 3237 | 400 | 8 | 1200 | 750 | 240 | |
| СПМ99-5-54УЗ | ||||||||
| СПМ99-6-21УЗ | 6 | ВР 3237 | 400 | 4 | 4 | 1200 | 750 | 240 |
| СПМ99-6-54УЗ | ||||||||
| СПМ99-7-21УЗ | 7 | ВР 3237 | 400 | 5 | 1200 | 750 | 240 | |
| СПМ99-7-54УЗ | ||||||||
| СПМ99-8-21УЗ | 8 | ВР 3237 | 400 | 6 | 1200 | 750 | 240 | |
| СПМ99-8-54УЗ | ||||||||
| СПМ99-9-21УЗ | 9 | ВР 3237 | 400 | 2 | 7 | 1200 | 750 | 240 |
| СПМ99-9-54У3.1 | ||||||||
Шкаф управления уличным освещением типа И-710, УНО
Шкафы управления уличным освещением предназначен для управления наружным вечерним и ночным освещением в населенных пунктах с помощью как местного управления, так и управления с диспетчерского пульта городских сетей.
Шкафы управления наружным освещением представляет собой цельносварную металлоконструкцию из металла толщиной 2 мм со скошенной крышей, и имеет антивандальное исполнение, что достигается отсутствием наружных петлей у двери и специальным замком, фиксирующим дверь шкафа по ее периметру.
Шкафы управления наружным освещением предназначен для установки на открытом воздухе.
Устанавливаются на вертикальную поверхность.
Номинальное напряжение переменного тока: 380/220В, частота: 50Гц.
• Номинальный ток до 250 А.
• Степень защиты по ГОСТ 14254-96: IP54.
• Группа условий эксплуатации в части воздействий механических факторов внешний среды М2 по ГОСТ 17516.1-90.
• Климатическое исполнение и категория размещения по ГОСТ 15150-69 и ГОСТ 15543.1-89: У3.1 и УХЛ4.
• Высота установки над уровнем моря до 2000м. Рабочее положение - вертикальное. Допускается отклонение от рабочего положения не более 5°.
• Требования безопасности соответствуют ГОСТ 12.2.007.0-75 и ГОСТ 22789-94, а также требованиям "ПУЭ", "Правил технической эксплуатации электроустановок потребителя", утверждённых Минэнерго.
• Требования пожарной безопасности соответствуют ГОСТ 12.1.004-85.
Схема электрическая шкафа
Панели распределительных щитов ЩО90
Панели распределительных щитов ЩО-90 предназначены для приема и распределения электрической энергии трехфазного тока частотой 50Гц при напряжении до 0,66 кВ и защиты отходящих линий от перегрузки и токов короткого замыкания.
Распределительные щиты комплектуются из панелей и обслуживаются с фасадной стороны. Торцы щитов закрываются торцевыми панелями. При двухрядной установке панелей, по требованию заказчика, распределительный щит комплектуется шинным мостом. Расстояние между фасадами панелей 1500мм или 2000мм.
Структура условного обозначения
ЩО 90 Х Х ХХ У3
1 2 3 4 5 6
1. Щит распределительный одностороннего обслуживания;
2. Год разработки;
3. Степень защиты оболочки: 1-открытое IP00; 2-закрытое IP20;
4. Назначение панели: 1 - вводная; 2 - вводно-распределительная; 3 - распределительная; 4 - секционная; 5 - вспомогательная.
5. Номер схемы в подгруппе;
6. Климатическое исполнение.
Вводные панели
ЩО90 - вводные панели
| Тип панели | Принципиальная схема первичных соединений | Элемент на схеме | |
|---|---|---|---|
| Обозначение | Тип прибора | ||
| ЩО90-1101УЗ ЩО90-2101УЗ Iном=2000А | PV PA QS TA | Вольтметр ЭВ 0200/500 В Амперметры ЭА 0200 2000/5 А Разъединитель РЕ 19-45(44) Трансформаторы тока ТШ - 0,66 2000/5 А |
|
| ЩО90-1102УЗ ЩО90-2102УЗ Iном=2000А | PV PA QS TA | Вольтметр ЭВ 0200/500 В Амперметры ЭА 0200 2000/5 А Разъединитель РЕ 19-45(44) Трансформаторы тока ТШ - 0,66 2000/5 А |
|
| ЩО90-1103УЗ ЩО90-2103УЗ Iном=1000А | PV PA QS QF TA | Вольтметр ЭВ 0200/500 В Амперметры ЭА 0200 1000/5 А Разъединитель РE 19-41 Авт. выключатель ВА 55-41 Трансформаторы тока ТШ - 0,66 1000/5 А |
|
| ЩО90-1105УЗ ЩО90-2105УЗ Iном=1600А | PV PA QS QF TA | Вольтметр ЭВ 0200/500 В Амперметры ЭА 0200 1500/5 А Разъединитель РE 19-43 Авт. выключатель ВА 55-43 Трансформаторы тока ТШ - 0,66 1500/5 А |
|
| ЩО90-1107УЗ ЩО90-2107УЗ Iном=630А | PV PA QS QF TA | Вольтметр ЭВ 0200/500 В Амперметры ЭА 0200 630/5 А Разъединитель PE19-39 Авт. выключатель ВА 5239 Трансформаторы тока ТШ - 0,66 600/5 А |
|
| ЩО90-1111УЗ ЩО90-2111УЗ Iном=2000А | PV PA QS QF TA | Вольтметр ЭВ 0200/500 В Амперметры ЭА 0200 2000/5 А Разъединитель РE 19-44 Авт. выключатель Э25С Трансформаторы тока ТШ - 0,66 2000/5 А |
|
| ЩО90-1101УЗ ЩО90-2101УЗ Iном=1000А | PV PA QS QF TA | Вольтметр ЭВ 0200/500 В Амперметры ЭА 0200 1000/5 А Разъединитель РE 19-41 Авт. выключатель ВА 55-41 ТШ - 0,66 1000/5 А |
|
| ЩО90-1106УЗ ЩО90-2106УЗ Iном=1600А | PV PA QS QF TA | Вольтметр ЭВ 0200/500 В Амперметры ЭА 0200 1500/5 А Разъединитель РE 19-43 Авт. выключатель ВА 55-43 ТШ - 0,66 1500/5 А |
|
| ЩО90-1108УЗ ЩО90-2108УЗ Iном=630А | PV PA QS QF TA | Вольтметр ЭВ 0200/500 В Амперметры ЭА 0200 630/5 А Разъединитель PE19-39 Авт. выключатель ВА 5239 ТШ - 0,66 600/5 А |
|
| ЩО90-1112УЗ ЩО90-2112УЗ Iном=2000А | PV PA QS QF TA | Вольтметр ЭВ 0200/500 В Амперметры ЭА 0200 2000/5 А Разъединитель РE 19-44 Авт. выключатель Э25С ТШ - 0,66 2000/5 А |
|
| ЩО90-1113УЗ ЩО90-2113УЗ Iном=1600А | PV PA QS QF TA | Вольтметр ЭВ 0200/500 В Амперметры ЭА 0200 1500/5 А Разъединитель РE 19-43 Авт. выключатель ВА 55-43 ТШ - 0,66 1500/5 А |
|
| ЩО90-1115УЗ ЩО90-2115УЗ Iном=1000А | PV PA QS QF TA | Вольтметр ЭВ 0200/500 В Амперметры ЭА 0200 1000/5 А Разъединитель РE 19-41 Авт. Выключатель ВА 55-41 ТШ - 0,66 1000/5 А |
|
| ЩО90-1117УЗ ЩО90-2117УЗ Iном=630А | PV PA QS QF TA | Вольтметр ЭВ 0200/500 В Амперметры ЭА 0200 630/5 Разъединитель PE19-39 Авт. выключатель ВА 5239 Т - 0,66 600/5 А |
|
| ЩО90-1119УЗ ЩО90-2119УЗ Iном=2000А | PV PA QS QF TA | Вольтметр ЭВ 0200/500 В Амперметры ЭА 0200 2000/5 A Разъединитель РЕ 19-44 Авт. выключатель Э25С ТШ - 0,66 2000/5 A |
|
| ЩО90-1114УЗ ЩО90-2114УЗ Iном=1600А | PV PA QS QF TA | Вольтметр ЭВ 0200/500 В Амперметры ЭА 0200 1500/5 А Разъединитель РE 19-43 Авт. выключатель ВА 55-43 ТШ - 0,66 1500/5 А |
|
| ЩО90-1116УЗ ЩО90-2116УЗ Iном=1000А | PV PA QS QF TA | Вольтметр ЭВ 0200/500В Амперметры ЭА 0200 1000/5 А Разъединитель РE 19-41 Авт. выключатель ВА 55-41 ТШ - 0,66 1000/5 А |
|
| ЩО90-1118УЗ ЩО90-2118УЗ Iном=630А | PV PA QS QF TA | Вольтметр ЭВ 0200/500 В Амперметры ЭА 0200 600/5 Разъединитель РE 19-39 Авт. выключатель ВА 5239 Т - 0,66 600/5 |
|
| ЩО90-1119УЗ ЩО90-2119УЗ Iном=2000А | PV PA QS QF TA | Вольтметр ЭВ 0200/500 В Амперметры ЭА 0200 2000/5 А Разъединитель РЕ 19-44 Авт. выключатель Э25С ТШ - 0,66 2000/5 A |
|
Вводно-распределительные панели
ЩО90 вводно-распределительные панели
| Тип панели | Принципиальная схема первичных соединений | Элемент на схеме | |
|---|---|---|---|
| Обозначение | Тип прибора | ||
| ЩО90-1201УЗ ЩО90-2201УЗ Iном=630А | PV PA FU1 QS TA QS2,3 FU2,3 | Вольтметр ЭВ 0200/500 В Амперметры ЭА 0200 600/5 А Предохранитель ППН-39 Разъединитель PE19-39 ТШ - 0,66 600/5 А Разъединитель РП -2/250 А Предохранитель ППН-35 |
|
| ЩО90-1207УЗ ЩО90-2207УЗ Iном=1000А | PV PA FU1 QS TA QS2,3 FU2,3 | Вольтметр ЭВ 0200/500 В Амперметры ЭА 0200 1000/5 А Предохранитель ППН-41 Разъединитель РЕ 19-41 ТШ - 0,66 1000/5 А Разъединитель РП -2/250 А Предохранитель ППН-35 |
|
| ЩО90-1202УЗ ЩО90-2202УЗ Iном=630А | PV PA FU1 QS TA QS2,3 FU2,3 | Вольтметр ЭВ 0200/500 В Амперметры ЭА 0200 600/5 А Предохранитель ППН-39 Разъединитель PE19-39 ТШ - 0,66 600/5 А Разъединитель РП -2/250 А Предохранитель ППН-35 |
|
| ЩО90-1208УЗ ЩО90-2208УЗ Iном=1000А | PV PA FU1 QS TA QS2,3 FU2,3 | Вольтметр ЭВ 0200/500 В Амперметры ЭА 0200 1000/5 А Предохранитель ППН-41 Разъединитель РЕ 19-41 ТШ - 0,66 1000/5 А Разъединитель РП -2/250 А Предохранитель ППН-35 |
|
| ЩО90-1203УЗ ЩО90-2203УЗ Iном=1000А | PV PA FU1 QS TA QS2 FU2 | Вольтметр ЭВ 0200/500 В Амперметры ЭА 0200 1000/5 А Предохранитель ППН-41 Разъединитель РЕ 19-41 ТШ - 0,66 1000/5 А Разъединитель РП - 2/250 А Предохранитель ППН-35 |
|
| ЩО90-1204УЗ ЩО90-2204УЗ Iном=1000А | PV PA FU1 QS TA QS2 FU2 | Вольтметр ЭВ 0200/500 В Амперметры ЭА 0200 1000/5 А Предохранитель ППН-41 Разъединитель РЕ 19-41 ТШ - 0,66 1000/5 А Разъединитель РП - 2/250 А Предохранитель ППН-35 |
|
| ЩО90-1215УЗ ЩО90-2215УЗ Iном=630А | PV PA QS1 QF1 TA QF2,3 | Вольтметр ЭВ 0200/500 В Амперметры ЭА 0200 600/5 А Разъединитель PE19-39 Авт. выключатель ВА 5239 ТШ - 0,66 600/5 А Авт. выключатель ВА 5935 |
|
| ЩО90-1217УЗ ЩО90-2217УЗ Iном=1000А | PV PA QS1 QF1 TA QF2,3 | Вольтметр ЭВ 0200/500 В Амперметры ЭА 0200 1000/5 А Разъединитель РЕ 19-41 Авт. выключатель ВА 55-41 ТШ - 0,66 1000/5 А Авт. выключатель ВА 5935 |
|
| ЩО90-1216УЗ ЩО90-2216УЗ Iном=630А | PV PA QS1 QF1 TA QF2,3 | Вольтметр ЭВ 0200/500 В Амперметры ЭА 0200 600/5 А Разъединитель PE19-39 Авт. выключатель ВА 5239 ТШ - 0,66 600/5 А Авт. Выключатель ВА 5935 |
|
| ЩО90-1218УЗ ЩО90-2218УЗ Iном=1000А | PV PA QS1 QF1 TA QF2,3 | Вольтметр ЭВ 0200/500 В Амперметры ЭА 0200 1000/5 А Разъединитель РЕ 19-41 Авт. выключатель ВА 55-41 ТШ - 0,66 1000/5 А Авт. Выключатель ВА 5935 |
|
| ЩО90-1221УЗ ЩО90-2221УЗ Iном=6300А | PV PA FU1 QS1 TA QS2,3 | Вольтметр ЭВ 0200/500 В Амперметры ЭА 0200 600/5 А Предохранитель ППН-39 Разъединитель PE19-39 ТШ - 0,66 600/5 А Разъединитель РП-2/250 А |
|
| ЩО90-1222УЗ ЩО90-2222УЗ Iном=630А | PV PA FU1 QS1 TA QS2,3 | Вольтметр ЭВ 0200/500 В Амперметры ЭА 0200 600/5 А Предохранитель ППН-39 Разъединитель PE19-39 ТШ - 0,66 600/5 А Разъединитель РП-2/250 А |
|
| ЩО90-1223УЗ ЩО90-2223УЗ Iном=630А | PV PA FU1 QS1 TA QS2 | Вольтметр ЭВ 0200/500 В Амперметры ЭА 0200 600/5 А Предохранитель ППН-39 Разъединитель PE19-39 ТШ - 0,66 600/5 А Разъединитель РП-2/250 А |
|
| ЩО90-1224УЗ ЩО90-2224УЗ Iном=630А | PV PA FU1 QS1 TA QS2 | Вольтметр ЭВ 0200/500 В Амперметры ЭА 0200 600/5 А Предохранитель ППН-39 Разъединитель PE19-39 ТШ - 0,66 600/5 А Разъединитель РП-2/250 А |
|
Распределительные панели
ЩО90 - распределительные панели
| Тип панели | Принципиальная схема первичных соединений | Элемент на схеме | Масса, кг не более | |
|---|---|---|---|---|
| Обозначение | Тип прибора | |||
| ЩО90-1401УЗ ЩО90-2401УЗ | PA1,PA4 PA2,PA3 FU1,FU4 FU2,FU3 QS1,QS4 QS2,QS3 TA1,TA4 TA2,TA3 | Амперметры ЭА 0200 300/5 А Амперметры ЭА 0200 100/5 А Предохранитель ППН-35/250 A Предохранитель ППН-35/100 A Разъединитель РП-2/250 A Разъединитель РП-2/100 A Т - 0,66 300/5 А Т - 0,66 100/5 А | 140 170 | |
| ЩО90-1402УЗ ЩО90-2402УЗ | PA1-PA4 FU1-FU4 QS1-QS4 TA1-TA4 | Амперметры ЭА 0200 300/5 А Предохранитель ППН-35/250 A Разъединитель РП-2/250 A Т - 0,66 300/5 А | 145 175 | |
| ЩО90-1403УЗ ЩО90-2403УЗ | PA1,PA4 PA2,PA3 FU1,FU4 FU2,FU3 QS1,QS4 QS2,QS3 TA1,TA4 TA2,TA3 | Амперметры ЭА 0200 400/5 А Амперметры ЭА 0200 300/5 А Предохранитель ППН-37/400 A Предохранитель ППН-35/250 A Разъединитель РП-4/400 A Разъединитель РП-2/250 A Т - 0,66 400/5 А Т - 0,66 300/5 А | 145 175 | |
| ЩО90-1404УЗ ЩО90-2404УЗ | PA1-PA4 FU1-FU4 QS1-QS4 TA1-TA4 | Амперметры ЭА 0200 400/5 А Предохранитель ППН-37/400 A Разъединитель РП-4/400 A Т - 0,66 400/5 А | 145 175 | |
| ЩО90-1408УЗ ЩО90-2408УЗ | PA1-PA4 FU1-FU4 QS1-QS4 TA1-TA4 | Амперметры ЭА 0200 600/5 А Предохранитель ППН-39/630 A Разъединитель PE19-39/630 A Т - 0,66 600/5 А | 150 180 | |
| ЩО90-1409УЗ ЩО90-2409УЗ | PA1,PA4 PA2,PA3 FU1,FU4 FU2,FU3 QS1,QS4 QS2,QS3 TA1,TA4 TA2,TA3 | Амперметры ЭА 0200 600/5 А Амперметры ЭА 0200 400/5 А Предохранитель ППН-39/630 A Предохранитель ППН-37/400 A Разъединитель PE19-39/630 A Разъединитель РП-4/400 A Т - 0,66 600/5 А Т - 0,66 400/5 А | 165 195 | |
| ЩО90-1422УЗ ЩО90-2422УЗ | PA1,PA2 FU1,FU2 QS1,QS2 TA1,TA2 | Амперметры ЭА 0200 600/5 А Предохранитель ППН-39/630 A Разъединитель PE19-39/630 A Т - 0,66 600/5 А | 140 170 | |
| ЩО90-1405УЗ ЩО90-2405УЗ | PA1,PA4 PA2,PA3 FU1-FU4 FU5,FU6 QS1-QS4 QS5,QS6 TA1,TA2 TA4,TA3 | Амперметры ЭА 0200 300/5 А Амперметры ЭА 0200 100/5 А Предохранитель ППН-33/100 A Предохранитель ППН-35/250 A Разъединитель РП-2/250 A Т - 0,66 100/5 А Т - 0,66 300/5 А | 140 170 | |
| ЩО90-1406УЗ ЩО90-2406УЗ | PA1-PA4 FU1,FU2 FU5,FU6 FU3,FU4 QS1,QS2 QS5,QS6 QS3,QS4 TA1-TA4 | Амперметры ЭА 0200 300/5 А Предохранитель ППН-35/250А Предохранитель ППН-35/250А Предохранитель ППН-33/100А Разъединитель РП-2/250А Т - 0,66 300/5 А | 145 175 | |
| ЩО90-1407УЗ ЩО90-2407УЗ | PA1,PA4 PA2,PA3 FU1,FU6 FU2,FU5 FU3,FU4 QS1,QS6 QS2,QS5 QS3,QS4 TA1,TA4 TA2,TA3 | Амперметры ЭА 0200 400/5 А Амперметры ЭА 0200 300/5 А Предохранитель ППН-37/400А Предохранитель ППН-35/250А Предохранитель ППН-33/100А Разъединитель РП-4/400А Разъединитель РП-2/250А Т - 0,66 400/5 А Т - 0,66 300/5 А | 165 195 | |
| ЩО90-1412УЗ ЩО90-2412УЗ | PA1-PA4 QF1-QF6 TA1-TA4 | Амперметры ЭА 0200 300/5 А Авт. выключатель ВА 5935 Т - 0,66 300/5 А | 120 150 | |
| ЩО90-1420УЗ ЩО90-2420УЗ | PA1, PA2 PA3, PA4 QF1-QF6 QF7-QF9 TA1-TA2 TA3-TA4 | Амперметры ЭА 0200 200/5 А Амперметры ЭА 0200 300/5 А Авт. выключатель ВА 5133 Авт. выключатель ВА 5135 Т - 0,66 200/5 А Т - 0,66 300/5 А | 130 160 | |
| ЩО90-1413УЗ ЩО90-2413УЗ | PA1-PA4 QF1-QF4 TA1-TA4 | Амперметры ЭА 0200 600/5 А Авт. выключатель ВА5239 Т - 0,66 600/5 А | 150 190 | |
| ЩО90-1418УЗ ЩО90-2418УЗ | PA1-PA2 QS1 QF1-QF2 TA1-TA2 | Амперметры ЭА 0200 600/5 А Разъединитель РЕ 19-41/1000А Авт. выключатель ВА5239 Т - 0,66 600/5 А | 150 190 | |
| ЩО90-1421УЗ ЩО90-2421УЗ | PA1-PA4 QS1 QF1-QF4 TA1-TA4 | Амперметры ЭА 0200 300/5 А Разъединитель РЕ 19-41/1000А Авт. выключатель ВА5935 Т - 0,66 300/5 А | 135 160 | |
| ЩО90-1415УЗ ЩО90-2415УЗ | PA1-PA4 QS1,QS2 QF1-QF4 TA1-TA4 | Амперметры ЭА 0200 300/5 А Разъединитель РЕ1941/1000 А Авт. выключатель ВА 5935 Т - 0,66 300/5 А | 140 170 | |
| ЩО90-1423УЗ ЩО90-2423УЗ | PA1-PA2 PA3-PA4 QS1,QS2 QF1-QF2 QF3-QF4 TA1-TA2 TA3-TA4 | Амперметры ЭА 0200 300/5 А Амперметры ЭА 0200 600/5 А Разъединитель РЕ 19-41/1000А Авт.выключатель ВА 5935 Авт.выключатель ВА 5239 Т - 0,66 300/5 А Т - 0,66 600/5 А | 160 190 | |
| ЩО90-1424УЗ ЩО90-2424УЗ | QS1,QS2 QF1-QF4 TA1-TA4 | Разъединитель РЕ 19-41/1000А Авт.выключатель ВА 52-39/630A Т - 0,66 600/5 А | 175 205 | |
| ЩО90-1419УЗ ЩО90-2419УЗ | PA PV QS1 QF1 TA1 | Амперметр ЭА 0200 1000/5 А Вольтметр ЭВ 0200/500В Разъединитель РЕ 19-41/1000А Авт.выключатель ВА55-41 ТШ - 0,66 1000/5 А | 145 175 | |
| ЩО90-1425УЗ ЩО90-2425УЗ | PA PV QS1 QF1 TA1 | Амперметр ЭА 0200 1500/5 А Вольтметр ЭВ 0200/500В Разъединитель РЕ 19-43/1600А Авт. выключатель ВА 55-43 ТШ - 0,66 1500/5 А | 200 230 | |
| ЩО90-1414УЗ ЩО90-2414УЗ | PA1-PA4 QS1 QF1-QF6 TA1-TA4 | Амперметры ЭА 0200 300/5 А Разъединитель РЕ 19-41/1000А Авт. Выключатель ВА5935 Т - 0,66 300/5 А | 130 160 | |
| ЩО90-1423УЗ ЩО90-2423УЗ | QS1 QF1-QF10 | Разъединитель РЕ 19-41/1000А Авт. Выключатель ВА 5935 | 130 160 | |
Секционные панели
ЩО90 - секционные панели
| Тип панели | Принципиальная схема первичных соединений | Элемент на схеме | Масса, кг | |
|---|---|---|---|---|
| Обозначение | Тип прибора | |||
| ЩО90-1301УЗ ЩО90-2301УЗ | QS1,2 QF1 | Разъединитель РЕ 19-41/1000А Авт. Выключатель A3796-630А | 150 180 | |
| ЩО90-1302УЗ ЩО90-2302УЗ | QS1,2 QF1 | Разъединитель РЕ 19-41/1000А Авт. Выключатель ВА 55-41-1000 | 195 180 | |
| ЩО90-1303УЗ ЩО90-2303УЗ | QS1,2 QF1 | Разъединитель РЕ 19-43/1600А Авт. Выключатель ВА 55-43-1600 | 210 200 | |
| ЩО90-1310УЗ ЩО90-2310УЗ | QS1,2 QF1 | Разъединитель РЕ 19-41/1000А Авт. Выключатель A3796-630А | 140 170 | |
| ЩО90-1307УЗ ЩО90-2307УЗ | QS1,2 QF1 | Разъединитель РЕ 19-41/1000А Авт. Выключатель ВА 55-41-1000 | 170 200 | |
| ЩО90-1308УЗ ЩО90-2308УЗ | вдл | Разъединитель РЕ 19-43/1600А Авт. Выключатель ВА 55-43-1600 | 180 205 | |
| ЩО90-1313УЗ ЩО90-2313УЗ | QS1 | Разъединитель РЕ 19-41/1000А | 125 150 | |
| ЩО90-1314УЗ ЩО90-2314УЗ | QS1 | Разъединитель РЕ 19-43/1600А | 175 200 | |
Вспомогательные панели
ЩО90 - вспомогательные и специальные панели
| Тип панели | Принципиальная схема первичных соединений | Элемент на схеме | Масса, кг не более | |
|---|---|---|---|---|
| Обозначение | Тип прибора | |||
| ЩО90-2601У3 | P1 | Счетчик СА 4У-И672 | 19 | |
| ЩО90-2602У3 | Р1, Р2 | Счетчик СА 4У-И672 Счетчик СР 4У-И673 | 24 | |
| ЩО90-1605У3 | - | - | 17 | |
| ЩО90-1606У3 | - | - | 17 | |
Диспетчерское управление уличным освещением
| Тип панели | Принципиальная схема первичных соединений | Элемент на схеме | Масса, кг не более | |
|---|---|---|---|---|
| Обозначение | Тип прибора | |||
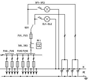
| ЩО90-1603У3 ЩО90-2603У3 | FU1-FU3 FU4-FU15 TA1-TA3 KM1,KM2 PI1 | ППН35-250/100А ППН-33/63А Т-0,66 100/5А КТ6032(6033) СА 4У-И672 | 95 120 | |
| ЩО90-1604У3 ЩО90-2604У3 | QS1 TA1-3 QF1-4 PI1 | ВР32-37/400А Т-0,66 400/5А АЕ 2056 СА 4У-И672 | 105 125 | |
Шинные мосты
| Тип панели | Размеры | I ном. | Масса, кг не более |
|---|---|---|---|
| ЩО90-1711У3 ЩО90-1721У3 | L=1500мм L=2000мм | 630А | 27 32 |
| ЩО90-1712У3 ЩО90-1722У3 | L=1500мм L=2000мм | 1000А | 33 38 |
| ЩО90-1713У3 ЩО90-1723У3 | L=1500мм L=2000мм | 1600А | 40 45 |
| ЩО90-1714У3 ЩО90-1724У3 | L=1500мм L=2000мм | 2000А | 50 53 |
Ящики серии Я5000
ящики серии Я5000 предназначены для продолжительного режима работы (пуск электродвигателя и отключение вращающегося двигателя). Возможно применение ящиков для кратковременного и повторно кратковременного режимов работы.
Ящик каждого типоисполнения имеет сварную конструкцию корпуса с дверью на петлях,фиксируемой замком, обеспечивающим степень защиты IР31.
В соответствии с заказом возможно изготовление ящиков в уплотненном исполнении со степенью защиты IР44, IР54.
Аппаратура устанавливается в ящике на специальной панели и на двери с внутренней стороны.
| Я | 5 | * | ** | **** | - УХЛ4 |
|---|---|---|---|---|---|
| климатическое исполнение и категория размещения по ГОСТ 15150-69 | |||||
| типовой индекс | |||||
| порядкоый номер | |||||
| группа в классе 5 1 — управление нереверсивными двигателями 4 — управление реверсивными двигателями |
|||||
| клас НКУ по назначению: 5 — управление асинхронными двигателями с КЗ ротором |
|||||
| вид НКУ по конструкции — ящик | |||||
Номенклатура ящиков управления серии Я5000.
| тип ящиков управления двигателем | количество управляемых двигателей (фидеров) | питание цепи управления | Аппараты на двери | |||
|---|---|---|---|---|---|---|
| нереверсивным | реверсивным | перекл. | кнопка | арматура | ||
| 1.Ящики с автоматическими выключателями на каждый фидер | ||||||
| Я 5110 | Я 5410 | 1 | Фазным напряжением | - | + | + |
| Я 5111 | Я 5411 | + | + | + | ||
| Я 5112 | Я 5412 | Независимое или линейным напряжением | - | + | + | |
| Я 5113 | Я 5413 | + | + | + | ||
| Я 5114 | Я 5414 | 2 | Фазным напряжением | - | + | + |
| Я 5115 | Я 5415 | + | + | + | ||
| 2. Ящики с одним автоматическим выключателем на два фидера | ||||||
| Я 5124 | Я 5424 | 2 | Фазным напряжением | - | + | + |
| Я 5125 | Я 5425 | + | + | + | ||
| 3. Ящики без автоматического выключателя | ||||||
| Я 5130 | Я 5430 | 1 | Фазным напряжением | - | + | + |
| Я 5131 | Я 5431 | + | + | + | ||
| Я 5132 | Я 5432 | 2 | Фазным напряжением | - | + | + |
| Я 5133 | Я 5433 | + | + | + | ||
| 4. Ящики с промежуточными реле | ||||||
| Я 5141 | Я 5441 | 1 | Фазным напряжением | + | + | + |
| 5. Ящики с клеммниками | ||||||
| тип ящиков | зажимы | кол-во зажимов | предназначение | |||
| Я 5001 | цепей управления | 40 | для транзита цепей управления | |||
| Я 5003 | 60 | |||||
| Я 5004 | 120 | |||||
| Я 5005 | силовые, на ток 63 А | 6 | для питания ящиков | |||
Напряжение силовой цепи и цепей управления ящиков.
| способ питания цепи управления | номинальное напряжение цепей, В | 3-й и 4-й знаки типового индекса | |
|---|---|---|---|
| силовой | управления | ||
| фазным напряжением от собственной силовой цепи | 380, 50 Гц | 220, 50 Гц | 74 |
| линейным напряжением от собственной силовой цепи | 380, 50 Гц | 380, 50Гц | 77 |
| от независимого источника | 380, 50 Гц | 110, 50 Гц | 73 |
| 220, 50 Гц | 74 | ||
Основные технические характеристики
| тип | типовой индекс | номин. ток ящика, А | предел регулировки тока теплового реле, А | номин. ток расцеп. авт. выкл., А | номинальное напряж. цепей, В | габаритные размеры НхLхВ (мм) | |
|---|---|---|---|---|---|---|---|
| силовой | управл. | ||||||
| Двухфидерные реверсивные с автоматическим выключателем, кнопками и лампой на каждый фидер | |||||||
| Я 5110 | 1874 УХЛ4 | 0,6 | 0,38-0,65 | 1,6 | 380 50 Гц | 220 50 Гц | 400х300х250 |
| 2074 УХЛ4 | 1,0 | 0,61-1,0 | 1,6 | ||||
| 2274 УХЛ4 | 1,6 | 0,95-1,6 | 2,0 | ||||
| 2474 УХЛ4 | 2,5 | 1,5-2,6 | 3,15 | ||||
| 2674 УХЛ4 | 4,0 | 2,4-4,0 | 5,0 | ||||
| 2874 УХЛ4 | 6,0 | 3,8-6,0 | 8,0 | ||||
| 2974 УХЛ4 | 8,0 | 5,5-8,0 | 10,0 | ||||
| 3074 УХЛ4 | 10,0 | 7,0-10,0 | 12,5 | ||||
| 3174 УХЛ4 | 12,5 | 9,5-14,0 | 16,0 | ||||
| 3274 УХЛ4 | 16,0 | 13,0-19,0 | 20,0 | ||||
| 3474 УХЛ4 | 25,0 | 18,0-25,0 | 31,5 | ||||
| 3574 УХЛ4 | 32,0 | 27,2-36,8 | 40,0 | 600х400х250 | |||
| 3674 УХЛ4 | 40,0 | 34,0-40,0 | 50,0 | ||||
| 3774 УХЛ4 | 50,0 | 42,5-57,5 | 63,0 | ||||
| 3874 УХЛ4 | 63,0 | 53,5-63,0 | 80,0 | ||||
| 3974 УХЛ4 | 80,0 | 68,0-92,0 | 100,0 | 600х600х300 | |||
| 4074 УХЛ4 | 100,0 | 85,0-100,0 | 125,0 | ||||
| 4174 УХЛ4 | 125,0 | 106,0-143,0 | 160,0 | ||||
| 4274 УХЛ4 | 160,0 | 136,0-160,0 | 160,0 | ||||
| Однофидерные нереверсивные с автоматическим выключателем, кнопками, лампой, переключателем | |||||||
| Я 5111 | 1874 УХЛ4 | 0,6 | 0,38-0,65 | 1,6 | 380 50 Гц | 220 50 Гц | 400х300х250 |
| 2074 УХЛ4 | 1,0 | 0,61-1,0 | 1,6 | ||||
| 2274 УХЛ4 | 1,6 | 0,95-1,6 | 2,0 | ||||
| 2474 УХЛ4 | 2,5 | 1,5-2,6 | 3,15 | ||||
| 2674 УХЛ4 | 4,0 | 2,4-4,0 | 5,0 | ||||
| 2874 УХЛ4 | 6,0 | 3,8-6,0 | 8,0 | ||||
| 2974 УХЛ4 | 8,0 | 5,5-8,0 | 10,0 | ||||
| 3074 УХЛ4 | 10,0 | 7,0-10,0 | 12,5 | ||||
| 3174 УХЛ4 | 12,5 | 9,5-14,0 | 16,0 | ||||
| 3274 УХЛ4 | 16,0 | 13,0-19,0 | 20,0 | ||||
| 3474 УХЛ4 | 25,0 | 18,0-25,0 | 31,5 | ||||
| 3574 УХЛ4 | 32,0 | 27,2-36,8 | 40,0 | 600х400х250 | |||
| 3674 УХЛ4 | 40,0 | 34,0-40,0 | 50,0 | ||||
| 3774 УХЛ4 | 50,0 | 42,5-57,5 | 63,0 | ||||
| 3874 УХЛ4 | 63,0 | 53,5-63,0 | 80,0 | ||||
| 3974 УХЛ4 | 80,0 | 68,0-92,0 | 100,0 | 600х600х300 | |||
| 4074 УХЛ4 | 100,0 | 85,0-100,0 | 125,0 | ||||
| 4174 УХЛ4 | 125,0 | 106,0-143,0 | 160,0 | ||||
| 4274 УХЛ4 | 160,0 | 136,0-160,0 | 160,0 | ||||
| Однофидерные реверсивные с автоматическим выключателем, кнопками и лампами | |||||||
| Я 5410 | 1874 УХЛ4 | 0,6 | 0,38-0,65 | 1,6 | 380 50 Гц | 220 50 Гц | 400х300х250 |
| 2074 УХЛ4 | 1,0 | 0,61-1,0 | 1,6 | ||||
| 2274 УХЛ4 | 1,6 | 0,95-1,6 | 2,0 | ||||
| 2474 УХЛ4 | 2,5 | 1,5-2,6 | 3,15 | ||||
| 2674 УХЛ4 | 4,0 | 2,4-4,0 | 5,0 | ||||
| 2874 УХЛ4 | 6,0 | 3,8-6,0 | 8,0 | ||||
| 2974 УХЛ4 | 8,0 | 5,5-8,0 | 10,0 | ||||
| 3074 УХЛ4 | 10,0 | 7,0-10,0 | 12,5 | ||||
| 3174 УХЛ4 | 12,5 | 9,5-14,0 | 16,0 | 600х400х250 | |||
| 3274 УХЛ4 | 16,0 | 13,0-19,0 | 20,0 | ||||
| 3474 УХЛ4 | 25,0 | 18,0-25,0 | 31,5 | ||||
| 3574 УХЛ4 | 32,0 | 27,2-36,8 | 40,0 | ||||
| 3674 УХЛ4 | 40,0 | 34,0-40,0 | 50,0 | ||||
| 3774 УХЛ4 | 50,0 | 42,5-57,5 | 63,0 | 600х600х300 | |||
| 3874 УХЛ4 | 63,0 | 53,5-63,0 | 80,0 | ||||
| 3974 УХЛ4 | 80,0 | 68,0-92,0 | 100,0 | 800х600х300 | |||
| 4074 УХЛ4 | 100,0 | 85,0-100,0 | 125,0 | ||||
| 4174 УХЛ4 | 125,0 | 106,0-143,0 | 160,0 | ||||
| 4274 УХЛ4 | 160,0 | 136,0-160,0 | 160,0 | ||||
| Однофидерные реверсивные с автоматическим выключателем,кнопками,лампами, переключателем | |||||||
| Я 5411 | 1874 УХЛ4 | 0,6 | 0,38-0,65 | 1,6 | 380 50 Гц | 220 50 Гц | 400х300х250 |
| 2074 УХЛ4 | 1,0 | 0,61-1,0 | 1,6 | ||||
| 2274 УХЛ4 | 1,6 | 0,95-1,6 | 2,0 | ||||
| 2474 УХЛ4 | 2,5 | 1,5-2,6 | 3,15 | ||||
| 2674 УХЛ4 | 4,0 | 2,4-4,0 | 5,0 | ||||
| 2874 УХЛ4 | 6,0 | 3,8-6,0 | 8,0 | ||||
| 2974 УХЛ4 | 8,0 | 5,5-8,0 | 10,0 | ||||
| 3074 УХЛ4 | 10,0 | 7,0-10,0 | 12,5 | ||||
| 3174 УХЛ4 | 12,5 | 9,5-14,0 | 16,0 | 600х400х250 | |||
| 3274 УХЛ4 | 16,0 | 13,0-19,0 | 20,0 | ||||
| 3474 УХЛ4 | 25,0 | 18,0-25,0 | 31,5 | ||||
| 3574 УХЛ4 | 32,0 | 27,2-36,8 | 40,0 | ||||
| 3674 УХЛ4 | 40,0 | 34,0-40,0 | 50,0 | ||||
| 3774 УХЛ4 | 50,0 | 42,5-57,5 | 63,0 | 600х600х300 | |||
| 3874 УХЛ4 | 63,0 | 53,5-63,0 | 80,0 | ||||
| 3974 УХЛ4 | 80,0 | 68,0-92,0 | 100,0 | 800х600х300 | |||
| 4074 УХЛ4 | 100,0 | 85,0-100,0 | 125,0 | ||||
| 4174 УХЛ4 | 125,0 | 106,0-143,0 | 160,0 | ||||
| 4274 УХЛ4 | 160,0 | 136,0-160,0 | 160,0 | ||||
| Однофидерные нереверсивные с автоматическим выключателем,кнопками, и лампой | |||||||
| Я 5112 | 18хх УХЛ4 | 0,6 | 0,38-0,65 | 1,6 | 380 50 Гц | табл. 2.14.2 | 400х300х250 |
| 20хх УХЛ4 | 1,0 | 0,61-1,0 | 1,6 | ||||
| 22хх УХЛ4 | 1,6 | 0,95-1,6 | 2,0 | ||||
| 24хх УХЛ4 | 2,5 | 1,5-2,6 | 3,15 | ||||
| 26хх УХЛ4 | 4,0 | 2,4-4,0 | 5,0 | ||||
| 28хх УХЛ4 | 6,0 | 3,8-6,0 | 8,0 | ||||
| 29хх УХЛ4 | 8,0 | 5,5-8,0 | 10,0 | ||||
| 30хх УХЛ4 | 10,0 | 7,0-10,0 | 12,5 | ||||
| 31хх УХЛ4 | 12,5 | 9,5-14,0 | 16,0 | ||||
| 32хх УХЛ4 | 16,0 | 13,0-19,0 | 20,0 | ||||
| 34хх УХЛ4 | 25,0 | 18,0-25,0 | 31,5 | ||||
| 35хх УХЛ4 | 32,0 | 27,2-36,8 | 40,0 | 600х400х250 | |||
| 36хх УХЛ4 | 40,0 | 34,0-40,0 | 50,0 | ||||
| 37хх УХЛ4 | 50,0 | 42,5-57,5 | 63,0 | ||||
| 38хх УХЛ4 | 63,0 | 53,5-63,0 | 80,0 | ||||
| 39хх УХЛ4 | 80,0 | 68,0-92,0 | 100,0 | 600х600х300 | |||
| 40хх УХЛ4 | 100,0 | 85,0-100,0 | 125,0 | ||||
| 41хх УХЛ4 | 125,0 | 106,0-143,0 | 160,0 | ||||
| 42хх УХЛ4 | 160,0 | 136,0-160,0 | 160,0 | ||||
| Однофидерные нереверсивные с автоматическим выключателем, кнопками, лампой, переключателем | |||||||
| Я 5113 | 18хх УХЛ4 | 0,6 | 0,38-0,65 | 1,6 | 380 50 Гц | табл. 2.14.2 | 400х300х250 |
| 20хх УХЛ4 | 1,0 | 0,61-1,0 | 1,6 | ||||
| 22хх УХЛ4 | 1,6 | 0,95-1,6 | 2,0 | ||||
| 24хх УХЛ4 | 2,5 | 1,5-2,6 | 3,15 | ||||
| 26хх УХЛ4 | 4,0 | 2,4-4,0 | 5,0 | ||||
| 28хх УХЛ4 | 6,0 | 3,8-6,0 | 8,0 | ||||
| 29хх УХЛ4 | 8,0 | 5,5-8,0 | 10,0 | ||||
| 30хх УХЛ4 | 10,0 | 7,0-10,0 | 12,5 | ||||
| 31хх УХЛ4 | 12,5 | 9,5-14,0 | 16,0 | ||||
| 32хх УХЛ4 | 16,0 | 13,0-19,0 | 20,0 | ||||
| 34хх УХЛ4 | 25,0 | 18,0-25,0 | 31,5 | ||||
| 35хх УХЛ4 | 32,0 | 27,2-36,8 | 40,0 | 600х400х250 | |||
| 36хх УХЛ4 | 40,0 | 34,0-40,0 | 50,0 | ||||
| 37хх УХЛ4 | 50,0 | 42,5-57,5 | 63,0 | ||||
| 38хх УХЛ4 | 63,0 | 53,5-63,0 | 80,0 | ||||
| 39хх УХЛ4 | 80,0 | 68,0-92,0 | 100,0 | 600х600х300 | |||
| 40хх УХЛ4 | 100,0 | 85,0-100,0 | 125,0 | ||||
| 41хх УХЛ4 | 125,0 | 106,0-143,0 | 160,0 | ||||
| 42хх УХЛ4 | 160,0 | 136,0-160,0 | 160,0 | ||||
| Однофидерные реверсивные с автоматическим выключателем, кнопками, лампами | |||||||
| Я 5412 | 18хх УХЛ4 | 0,6 | 0,38-0,65 | 1,6 | 380 50 Гц | табл. 2.14.2 | 400х300х250 |
| 20хх УХЛ4 | 1,0 | 0,61-1,0 | 1,6 | ||||
| 22хх УХЛ4 | 1,6 | 0,95-1,6 | 2,0 | ||||
| 24хх УХЛ4 | 2,5 | 1,5-2,6 | 3,15 | ||||
| 26хх УХЛ4 | 4,0 | 2,4-4,0 | 5,0 | ||||
| 28хх УХЛ4 | 6,0 | 3,8-6,0 | 8,0 | ||||
| 29хх УХЛ4 | 8,0 | 5,5-8,0 | 10,0 | ||||
| 30хх УХЛ4 | 10,0 | 7,0-10,0 | 12,5 | ||||
| 31хх УХЛ4 | 12,5 | 9,5-14,0 | 16,0 | 600х400х250 | |||
| 32хх УХЛ4 | 16,0 | 13,0-19,0 | 20,0 | ||||
| 34хх УХЛ4 | 25,0 | 18,0-25,0 | 31,5 | ||||
| 35хх УХЛ4 | 32,0 | 27,2-36,8 | 40,0 | ||||
| 36хх УХЛ4 | 40,0 | 34,0-40,0 | 50,0 | ||||
| 37хх УХЛ4 | 50,0 | 42,5-57,5 | 63,0 | 600х600х300 | |||
| 38хх УХЛ4 | 63,0 | 53,5-63,0 | 80,0 | ||||
| 39хх УХЛ4 | 80,0 | 68,0-92,0 | 100,0 | 800х600х300 | |||
| 40хх УХЛ4 | 100,0 | 85,0-100,0 | 125,0 | ||||
| 41хх УХЛ4 | 125,0 | 106,0-143,0 | 160,0 | ||||
| 42хх УХЛ4 | 160,0 | 136,0-160,0 | 160,0 | ||||
| Однофидерные реверсивные с автоматическим выключателем, кнопками, лампами, переключателем | |||||||
| Я 5413 | 18хх УХЛ4 | 0,6 | 0,38-0,65 | 1,6 | 380 50 Гц | табл. 2.14.2 | 400х300х250 |
| 20хх УХЛ4 | 1,0 | 0,61-1,0 | 1,6 | ||||
| 22хх УХЛ4 | 1,6 | 0,95-1,6 | 2,0 | ||||
| 24хх УХЛ4 | 2,5 | 1,5-2,6 | 3,15 | ||||
| 26хх УХЛ4 | 4,0 | 2,4-4,0 | 5,0 | ||||
| 28хх УХЛ4 | 6,0 | 3,8-6,0 | 8,0 | ||||
| 29хх УХЛ4 | 8,0 | 5,5-8,0 | 10,0 | ||||
| 30хх УХЛ4 | 10,0 | 7,0-10,0 | 12,5 | ||||
| 31хх УХЛ4 | 12,5 | 9,5-14,0 | 16,0 | 600х400х250 | |||
| 32хх УХЛ4 | 16,0 | 13,0-19,0 | 20,0 | ||||
| 34хх УХЛ4 | 25,0 | 18,0-25,0 | 31,5 | ||||
| 35хх УХЛ4 | 32,0 | 27,2-36,8 | 40,0 | ||||
| 36хх УХЛ4 | 40,0 | 34,0-40,0 | 50,0 | ||||
| 37хх УХЛ4 | 50,0 | 42,5-57,5 | 63,0 | 600х600х300 | |||
| 38хх УХЛ4 | 63,0 | 53,5-63,0 | 80,0 | ||||
| 39хх УХЛ4 | 80,0 | 68,0-92,0 | 100,0 | 800х600х300 | |||
| 40хх УХЛ4 | 100,0 | 85,0-100,0 | 125,0 | ||||
| 41хх УХЛ4 | 125,0 | 106,0-143,0 | 160,0 | ||||
| 42хх УХЛ4 | 160,0 | 136,0-160,0 | 160,0 | ||||
| Однофидерные нереверсивные с автоматическим выключателем, кнопками, лампой, переключателем | |||||||
| Я 5114 | 1874 УХЛ4 | 0,6 | 0,38-0,65 | 1,6 | 380 50 Гц | 220 50 Гц | 600х400х250 |
| 2074 УХЛ4 | 1,0 | 0,61-1,0 | 1,6 | ||||
| 2274 УХЛ4 | 1,6 | 0,95-1,6 | 2,0 | ||||
| 2474 УХЛ4 | 2,5 | 1,5-2,6 | 3,15 | ||||
| 2674 УХЛ4 | 4,0 | 2,4-4,0 | 5,0 | ||||
| 2874 УХЛ4 | 6,0 | 3,8-6,0 | 8,0 | ||||
| 2974 УХЛ4 | 8,0 | 5,5-8,0 | 10,0 | ||||
| 3074 УХЛ4 | 10,0 | 7,0-10,0 | 12,5 | ||||
| 3174 УХЛ4 | 12,5 | 9,5-14,0 | 16,0 | ||||
| 3274 УХЛ4 | 16,0 | 13,0-19,0 | 20,0 | ||||
| 3474 УХЛ4 | 25,0 | 18,0-25,0 | 31,5 | ||||
| 3574 УХЛ4 | 32,0 | 27,2-36,8 | 40,0 | 600х600х300 | |||
| 3674 УХЛ4 | 40,0 | 34,0-40,0 | 50,0 | ||||
| Двухфидерные нереверсивные с автоматическим выключателем, кнопками, лампой и переключателем на каждый фидер | |||||||
| Я 5115 | 1874 УХЛ4 | 0,6 | 0,38-0,65 | 1,6 | 380 50 Гц | 220 50 Гц | 600х400х250 |
| 2074 УХЛ4 | 1,0 | 0,61-1,0 | 1,6 | ||||
| 2274 УХЛ4 | 1,6 | 0,95-1,6 | 2,0 | ||||
| 2474 УХЛ4 | 2,5 | 1,5-2,6 | 3,15 | ||||
| 2674 УХЛ4 | 4,0 | 2,4-4,0 | 5,0 | ||||
| 2874 УХЛ4 | 6,0 | 3,8-6,0 | 8,0 | ||||
| 2974 УХЛ4 | 8,0 | 5,5-8,0 | 10,0 | ||||
| 3074 УХЛ4 | 10,0 | 7,0-10,0 | 12,5 | ||||
| 3174 УХЛ4 | 12,5 | 9,5-14,0 | 16,0 | ||||
| 3274 УХЛ4 | 16,0 | 13,0-19,0 | 20,0 | ||||
| 3474 УХЛ4 | 25,0 | 18,0-25,0 | 31,5 | ||||
| 3574 УХЛ4 | 32,0 | 27,2-36,8 | 40,0 | 600х600х300 | |||
| 3674 УХЛ4 | 40,0 | 34,0-40,0 | 50,0 | ||||
| Двухфидерные нереверсивные с автоматическим выключателем, кнопками, лампой и переключателем на каждый фидер | |||||||
| Я 5414 | 1874 УХЛ4 | 0,6 | 0,38-0,65 | 1,6 | 380 50 Гц | 220 50 Гц | 600х400х250 |
| 2074 УХЛ4 | 1,0 | 0,61-1,0 | 1,6 | ||||
| 2274 УХЛ4 | 1,6 | 0,95-1,6 | 2,0 | ||||
| 2474 УХЛ4 | 2,5 | 1,5-2,6 | 3,15 | ||||
| 2674 УХЛ4 | 4,0 | 2,4-4,0 | 5,0 | ||||
| 2874 УХЛ4 | 6,0 | 3,8-6,0 | 8,0 | ||||
| 2974 УХЛ4 | 8,0 | 5,5-8,0 | 10,0 | ||||
| 3074 УХЛ4 | 10,0 | 7,0-10,0 | 12,5 | ||||
| Двухфидерные реверсивные с автоматическим выключателем, кнопками, лампой и переключателем на каждый фидер | |||||||
| Я 5415 | 1874 УХЛ4 | 0,6 | 0,38-0,65 | 1,6 | 380 50 Гц | 220 50 Гц | 600х400х250 |
| 2074 УХЛ4 | 1,0 | 0,61-1,0 | 1,6 | ||||
| 2274 УХЛ4 | 1,6 | 0,95-1,6 | 2,0 | ||||
| 2474 УХЛ4 | 2,5 | 1,5-2,6 | 3,15 | ||||
| 2674 УХЛ4 | 4,0 | 2,4-4,0 | 5,0 | ||||
| 2874 УХЛ4 | 6,0 | 3,8-6,0 | 8,0 | ||||
| 2974 УХЛ4 | 8,0 | 5,5-8,0 | 10,0 | ||||
| 3074 УХЛ4 | 10,0 | 7,0-10,0 | 12,5 | ||||
| Двухфидерные нереверсивные с одним автоматическим выключателем на два фидера, кнопками и лампой на каждый фидер | |||||||
| Я 5124 | 1874 УХЛ4 | 0,5 | 0,38-0,65 | 3,15 | 380 50 Гц | 220 50 Гц | 600х400х250 |
| 2074А УХЛ4 | 1,0 | 0,61-1,0 | |||||
| 2274А УХЛ4 | 1,6 | 0,95-1,6 | |||||
| 2474А УХЛ4 | 2,5 | 1,5-2,6 | |||||
| 2074Б УХЛ4 | 1,0 | 0,61-1,0 | 5,0 | ||||
| 2274Б УХЛ4 | 1,6 | 0,95-1,6 | |||||
| 2474Б УХЛ4 | 2,5 | 1,5-2,6 | |||||
| 2674Б УХЛ4 | 4,0 | 2,4-4,0 | |||||
| 2274В УХЛ4 | 2,5 | 0,95-1,6 | 8,0 | ||||
| 2474В УХЛ4 | 4,0 | 1,5-2,6 | |||||
| 2674В УХЛ4 | 4,0 | 2,4-4,0 | |||||
| 2874В УХЛ4 | 6,0 | 3,8-6,0 | |||||
| 2274Г УХЛ4 | 1,6 | 0,95-1,6 | 10,0 | ||||
| 2474Г УХЛ4 | 2,5 | 1,5-2,6 | |||||
| 2674Г УХЛ4 | 4,0 | 2,4-4,0 | |||||
| 2874Г УХЛ4 | 6,0 | 3,8-6,0 | |||||
| 2974Г УХЛ4 | 8,0 | 5,5-8,0 | |||||
| 2474Д УХЛ4 | 2,5 | 1,5-2,6 | 12,5 | ||||
| 2674Д УХЛ4 | 4,0 | 2,4-4,0 | |||||
| 2874Д УХЛ4 | 6,0 | 3,8-6,0 | |||||
| 2974Д УХЛ4 | 8,0 | 5,5-8,0 | |||||
| 3074Д УХЛ4 | 10,0 | 7,0-10,0 | |||||
| 2474Е УХЛ4 | 2,5 | 1,5-2,6 | 16,0 | ||||
| 2674Е УХЛ4 | 4,0 | 2,4-4,0 | |||||
| 2874Е УХЛ4 | 6,0 | 3,8-6,0 | |||||
| 2974Е УХЛ4 | 8,0 | 5,5-8,0 | |||||
| 3074Е УХЛ4 | 10,0 | 7,0-10,0 | |||||
| 3174Е УХЛ4 | 12,5 | 9,5-14,0 | |||||
| 2674И УХЛ4 | 4,0 | 2,4-4,0 | 20,0 | ||||
| 2874И УХЛ4 | 6,0 | 3,8-6,0 | |||||
| 2974И УХЛ4 | 8,0 | 5,5-8,0 | |||||
| 3074И УХЛ4 | 10,5 | 7,0-10,0 | |||||
| 3174И УХЛ4 | 12,0 | 9,5-14,0 | |||||
| 3274И УХЛ4 | 16,0 | 13,0-19,0 | |||||
| 2874К УХЛ4 | 6,0 | 3,8-6,0 | 31,5 | ||||
| 2974К УХЛ4 | 8,0 | 5,5-8,0 | |||||
| 3074К УХЛ4 | 10,0 | 7,0-10,0 | |||||
| 3174К УХЛ4 | 12,5 | 9,5-14,0 | |||||
| 3274К УХЛ4 | 16,0 | 13,0-19,0 | |||||
| 3474К УХЛ4 | 25,0 | 18,0-25,0 | |||||
| 2974ЛУХЛ4 | 8,0 | 5,5-8,0 | 40,0 | ||||
| 3074Л УХЛ4 | 10,0 | 7,0-10,0 | |||||
| 3174Л УХЛ4 | 12,5 | 9,5-14,0 | |||||
| 3274Л УХЛ4 | 16,0 | 13,0-19,0 | |||||
| 3474Л УХЛ4 | 25,0 | 18,0-25,0 | |||||
| 3274М УХЛ4 | 16,0 | 13,0-19,0 | 50,0 | ||||
| 3474М УХЛ4 | 25,0 | 18,0-25,0 | |||||
| Двухфидерные нереверсивные с одним автоматическим выключателем на два фидера, кнопками, лампой, переключателем на каждый фидер | |||||||
| Я 5125 | 1874 УХЛ4 | 0,5 | 0,38-0,65 | 3,15 | 380 50 Гц | 220 50 Гц | 600х400х250 |
| 2074А УХЛ4 | 1,0 | 0,61-1,0 | |||||
| 2274А УХЛ4 | 1,6 | 0,95-1,6 | |||||
| 2474А УХЛ4 | 2,5 | 1,5-2,6 | |||||
| 2074Б УХЛ4 | 1,0 | 0,61-1,0 | 5,0 | ||||
| 2274Б УХЛ4 | 1,6 | 0,95-1,6 | |||||
| 2474Б УХЛ4 | 2,5 | 1,5-2,6 | |||||
| 2674Б УХЛ4 | 4,0 | 2,4-4,0 | |||||
| 2274В УХЛ4 | 2,5 | 0,95-1,6 | 8,0 | ||||
| 2474В УХЛ4 | 4,0 | 1,5-2,6 | |||||
| 2674В УХЛ4 | 4,0 | 2,4-4,0 | |||||
| 2874В УХЛ4 | 6,0 | 3,8-6,0 | |||||
| 2274Г УХЛ4 | 1,6 | 0,95-1,6 | 10,0 | ||||
| 2474Г УХЛ4 | 2,5 | 1,5-2,6 | |||||
| 2674Г УХЛ4 | 4,0 | 2,4-4,0 | |||||
| 2874Г УХЛ4 | 6,0 | 3,8-6,0 | |||||
| 2974Г УХЛ4 | 8,0 | 5,5-8,0 | |||||
| 2474Д УХЛ4 | 2,5 | 1,5-2,6 | 12,5 | ||||
| 2674Д УХЛ4 | 4,0 | 2,4-4,0 | |||||
| 2874Д УХЛ4 | 6,0 | 3,8-6,0 | |||||
| 2974Д УХЛ4 | 8,0 | 5,5-8,0 | |||||
| 3074Д УХЛ4 | 10,0 | 7,0-10,0 | |||||
| 2474Е УХЛ4 | 2,5 | 1,5-2,6 | 16,0 | ||||
| 2674Е УХЛ4 | 4,0 | 2,4-4,0 | |||||
| 2874Е УХЛ4 | 6,0 | 3,8-6,0 | |||||
| 2974Е УХЛ4 | 8,0 | 5,5-8,0 | |||||
| 3074Е УХЛ4 | 10,0 | 7,0-10,0 | |||||
| 3174Е УХЛ4 | 12,5 | 9,5-14,0 | |||||
| 2674И УХЛ4 | 4,0 | 2,4-4,0 | 20,0 | ||||
| 2874И УХЛ4 | 6,0 | 3,8-6,0 | |||||
| 2974И УХЛ4 | 8,0 | 5,5-8,0 | |||||
| 3074И УХЛ4 | 10,5 | 7,0-10,0 | |||||
| 3174И УХЛ4 | 12,0 | 9,5-14,0 | |||||
| 3274И УХЛ4 | 16,0 | 13,0-19,0 | |||||
| 2874К УХЛ4 | 6,0 | 3,8-6,0 | 31,5 | ||||
| 2974К УХЛ4 | 8,0 | 5,5-8,0 | |||||
| 3074К УХЛ4 | 10,0 | 7,0-10,0 | |||||
| 3174К УХЛ4 | 12,5 | 9,5-14,0 | |||||
| 3274К УХЛ4 | 16,0 | 13,0-19,0 | |||||
| 3474К УХЛ4 | 25,0 | 18,0-25,0 | |||||
| 2974ЛУХЛ4 | 8,0 | 5,5-8,0 | 40,0 | ||||
| 3074Л УХЛ4 | 10,0 | 7,0-10,0 | |||||
| 3174Л УХЛ4 | 12,5 | 9,5-14,0 | |||||
| 3274Л УХЛ4 | 16,0 | 13,0-19,0 | |||||
| 3474Л УХЛ4 | 25,0 | 18,0-25,0 | |||||
| 3274М УХЛ4 | 16,0 | 13,0-19,0 | 50,0 | ||||
| 3474М УХЛ4 | 25,0 | 18,0-25,0 | |||||
| Двухфидерные реверсивные с одним автоматическим выключателем на два фидера, кнопками, лампами на каждый фидер | |||||||
| Я 5424 | 2274 УХЛ4 | 1,6 | - | 2,0 | 380 50 Гц | 220 50 Гц | 600х400х250 |
| 2474 УХЛ4 | 2,5 | 3,15 | |||||
| 2674 УХЛ4 | 4,0 | 5,0 | |||||
| 2874 УХЛ4 | 6,0 | 8,0 | |||||
| 2974 УХЛ4 | 8,0 | 10,0 | |||||
| 3074 УХЛ4 | 10,0 | 12,5 | |||||
| 3174 УХЛ4 | 12,5 | 16,0 | |||||
| 3274 УХЛ4 | 16,0 | 20,0 | |||||
| Двухфидерные реверсивные с одним автоматическим выключателем на два фидера, кнопками лампами и переключателем на каждый фидер | |||||||
| Я 5424 | 2274 УХЛ4 | 1,6 | - | 2,0 | 380 50 Гц | 220 50 Гц | 600х400х250 |
| 2474 УХЛ4 | 2,5 | 3,15 | |||||
| 2674 УХЛ4 | 4,0 | 5,0 | |||||
| 2874 УХЛ4 | 6,0 | 8,0 | |||||
| 2974 УХЛ4 | 8,0 | 10,0 | |||||
| 3074 УХЛ4 | 10,0 | 12,5 | |||||
| 3174 УХЛ4 | 12,5 | 16,0 | |||||
| 3274 УХЛ4 | 16,0 | 20,0 | |||||
Ящики управления освещением ЯУО
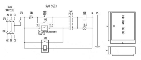
Ящики управления освещением типа ЯУО96 предназначены для автоматического, местного, ручного или дистанционного (с диспетчерского пункта) управления осветительными сетями и установками производственных зданий, сооружений, территорий любых объектов с любыми источниками света .
Номинальный режим работы - прерывисто-продолжительный, продолжительный, повторно-кратковременный и кратковременный по ГОСТ 12434-83Номинальное напряжение переменного тока - 660/380В, частота - 50 Гц.
• Номинальный ток до 160А .
• Верхний предел уставки освещённости - 2200 ЛК, нижний предел 220 ЛК.
• Сохранение уставок включения -отключения при снятом питании 150 час.
• Точность выполнения программ - 10 с/год.
• Степень защиты устройств согласно ГОСТ 14254-96: IP21, IP54
Структура условного обозначения
Я УО Н 96 ОХ - XX X X - XX XX
1 2 3 4 5 6 7 8 9 10
1. Ящик управления;
2. Управление освещением;
3. Конструктивное исполнение: Н - наружная установка (органы управления закрыты дверью; отсутствует - общепромышленное исполнение (органы управления на двери)
4. НКУ программного управления;
5. Тип управления:
  1- управление от таймера и фотореле;
 2- управление от фотореле;
 3- управление от таймера
6. Модификация по току;
7. Модификация по напряжению силовой цепи: 4 - 220В, 50Гц; 7 - 380В, 50Гц;
8. Модификация по напряжению цепи управления: 4 - 220В, 50Гц; 7 - 380В, 50Гц;
9. Степень защиты оболочки по ГОСТ 14254-96: 31 - IP31, 54 - IP54
10. Климатическое исполнение и категория размещения по ГОСТ 15150-69 и ГОСТ 15543.1-89 - УЗ, У3.1, УХЛ4.
Схемы и технические характеристики ЯУО96
| Тип ящика ЯУО-960Х | Ном.ток А | Напряжение цепи управления | Габариты, мм | Масса, кг не более | ||
|---|---|---|---|---|---|---|
| H | L | B | ||||
| 3474 | 25 | 220В, 50Гц | 500 | 500 | 250 | 26 |
| 3574 | 32 | 220В, 50Гц | 500 | 500 | 250 | 26 |
| 3674 | 40 | 220В, 50Гц | 500 | 500 | 250 | 26 |
| 3774 | 50 | 220В, 50Гц | 500 | 500 | 250 | 26 |
| 3874 | 63 | 220В, 50Гц | 500 | 500 | 250 | 26 |
| 3974 | 80 | 220В, 50Гц | 700 | 500 | 250 | 40 |
| 4074 | 100 | 220В, 50Гц | 700 | 500 | 250 | 40 |
| 4174 | 125 | 220В, 50Гц | 700 | 500 | 250 | 40 |
| 4274 | 160 | 220В, 50Гц | 700 | 500 | 250 | 40 |


Степени защиты
International Protection Marking (в переводе с англ. — «международные коды защиты»)[1]:п. 4.1 — классификация способа защиты, обеспечиваемого оболочкой технического устройства от доступа к опасным частям, попадания внешних твердых предметов и (или) воды и проверяемого стандартными методами испытаний[1]:п. 3.3. Регулируется стандартами IEC 60529 (DIN 40050, ГОСТ 14254).
Маркировка степени защиты оболочки электрооборудования осуществляется при помощи международного знака защиты (IP) и двух цифр, с необязательным добавлением конкретизирующей буквы, первая из которых означает защиту от попадания твёрдых предметов, вторая — от проникновения воды[2].
Код имеет вид IP(XX), где на позициях X находятся цифры либо символ X, если степень не определена. За цифрами могут идти одна или две буквы, дающие вспомогательную информацию. Например, бытовая электрическая розетка может иметь степень защиты IP22 — она защищена от проникновения пальцев и не может быть повреждена вертикально или почти вертикально капающей водой.
Максимальная степень защиты по этой классификации — IP68: то есть пыленепроницаемый прибор, выдерживающий длительное погружение в воду под давлением.
Первая цифра — защита от проникновения посторонних предметов
Первая характеристическая цифра указывает на степень защиты, обеспечиваемой оболочкой:
• людей от доступа к опасным частям, предотвращая или ограничивая проникновение внутрь оболочки какой-либо части тела или предмета, находящегося в руках у человека;
• оборудования, находящегося внутри оболочки, от проникновения внешних твёрдых предметов.
Если первая классифицирующая цифра равна 0, то оболочка не обеспечивает защиту ни от доступа к опасным частям, ни от проникновения внешних твёрдых предметов.
Первая классифицирующая цифра, равная 1, указывает на то, что оболочка обеспечивает защиту от доступа к опасным частям тыльной стороной руки, 2 — пальцем, 3 — инструментом, 4, 5 и 6 — проволокой.
При первой классифицирующей цифре, равной 1, 2, 3 и 4, оболочка обеспечивает защиту от внешних твёрдых предметов диаметром больше или равным соответственно 50, 12,5, 2,5 и 1,0 мм.
При цифре 5 оболочка обеспечивает частичную, а при цифре 6 — полную защиту от пыли.
| Уровень | Защита от посторонних предметов,имеющих диаметр | Описание |
|---|---|---|
| 0 | — | Защита отсутствует |
| 1 | ≥50 мм | Большие поверхности тела, нет защиты от сознательного контакта |
| 2 | ≥12,5 мм | Пальцы и подобные объекты |
| 3 | ≥2,5 мм | Инструменты, кабели и т. п. |
| 4 | ≥1 мм | Большинство проводов, болты и т. п. |
| 5 | Пылезащищённое | Некоторое количество пыли может проникать внутрь, однако это не нарушает работу устройства. Полная защита от контакта |
| 6 | Пыленепроницаемое | Пыль не может попасть в устройство. Полная защита от контакта |
Вторая цифра — защита от проникновения воды
Вторая классифицирующая цифра указывает степень защиты оборудования от вредного воздействия воды, которую обеспечивает оболочка.
Если вторая классифицирующая цифра равна 0, то оболочка не обеспечивает защиты от вредного воздействия воды.
Вторая классифицирующая цифра, равная 1, указывает на то, что оболочка обеспечивает защиту от вертикально падающих капель воды; 2 — от вертикально падающих капель воды, когда оболочка отклонена на угол до 15º; 3 — от воды, падающей в виде дождя; 4 — от сплошного обрызгивания; 5 — от водяных струй; 6 — от сильных водяных струй; 7 — от воздействия при временном (непродолжительном) погружении в воду; 8 — от воздействия при длительном погружении в воду; 9 — в условиях высокотемпературной мойки даже при высоком давлении воды.
| Уровень | Защита от | Описание |
|---|---|---|
| 0 | — | Защита отсутствует |
| 1 | Вертикальные капли | Вертикально капающая вода не должна нарушать работу устройства |
| 2 | Вертикальные капли под углом до 15° | Вертикально капающая вода не должна нарушать работу устройства, если его отклонить от рабочего положения на угол до 15° |
| 3 | Падающие брызги | Защита от дождя. Брызги падают вертикально или под углом до 60° к вертикали. |
| 4 | Брызги | Защита от брызг, падающих в любом направлении. |
| 5 | Струи | Защита от водяных струй с любого направления. |
| 6 | Морские волны | Защита от морских волн или сильных водяных струй. Попавшая внутрь корпуса вода не должна нарушать работу устройства. |
| 7 | Кратковременное погружение на глубину до 1 м | При кратковременном погружении вода не попадает в количествах, нарушающих работу устройства. Постоянная работа в погружённом режиме не предполагается. |
| 8 | Погружение на глубину более 1 м длительностью более 30 мин. | Устройство может работать в погружённом режиме. |
| 9 | Воздействие струй воды высокой температуры | Устройство может работать в условиях высокотемпературной мойки водой высокого давления |
Часто защита от попадания жидкостей автоматически обеспечивает защиту от проникновения. Например, устройство, имеющее защиту от жидкости на уровне 4 (прямое разбрызгивание) автоматически будет иметь защиту от попадания посторонних предметов на уровне 5.
Уровень защиты от проникновения воды не является кумулятивным за пределами уровня 6. Устройство, соответствующее уровню 7, обеспечивающему защиту при погружении в воду, не обязательно будет соответствовать уровню 5 или 6, обеспечивающему защиту от воздействия струй воды. Устройство, которое соответствует обоим уровням, указывается путем перечисления их через косую черту, например IP65/IP68.


















